Home Back
UC-1시리즈 CALS/CAD
 
UC-1  UC-Draw툴모음 Pile (콘크리트 치기말뚝)

아카데미가격 일람
유지보수/서포트 계약
Net PRO
라이선스펙
FPB포인트뱅크
콘크리트 치기말뚝([신설・기설말뚝]・[additional pile])의
배근도CAD프로그램
CAD製図基準(案)対応SXF2.0対応 Windows98/Me/NT/2000/XP대응
Order
제품구입
製品詳細価格/購入サンプル画面

  화면샘플
ライン
▼메인화면
▼3D확대 표시

▼도면생성 조건

▼플레어 용접 정보

▼말뚝 정보

▼additional pile주철근 정보

▼additional pile-기타 철근 정보

▼철근 상세입력

▼철근정보 확인표시

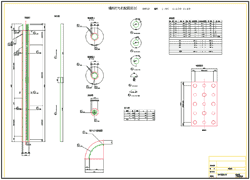
▼도면출력 예

▼도면샘플


Page Top TOP

FORUM8