PC・RC・PRCの単純桁橋の設計計算、図面作成プログラム
初版リリース:2023.06.30
初版リリース:2003.12.05/最新Ver.リリース:2012.05.15
本製品はプレテン・ポステンの単純桁の設計計算から図面作成までを一貫して行うプログラムで平成29年道路橋示方書に準拠した設計計算を行います。標準入力では簡単な入力から自動でモデルを作成可能で、細かい設定に関しては詳細編集で変更が行えます。主桁形状としては円孔ホロー桁、T桁、I桁、ダブルT桁、JIS桁、平面形状としては整形、バチ形、斜角などへの適用可能であるため、簡単な形状から複雑な形状までの設計が可能です。
設計対象
プレテン・ポステンのPC橋、PRC橋、RC橋、PCコンポ橋。
 
											JIS桁においては呼び名を選択することにより、断面設定、鋼材配置までを自動的に設定できます。
形状
(1)平面形状
            
平面形状:整形、バチ形、斜角および任意形による指定が可能。
              主桁数・横桁数や間隔及び角度を入力することにより、形状を簡単に作成できるジェネレータ機能があります。
 
 
					  円孔ホロー(中空床版)、T桁、I 桁(合成 I 桁)、ダブルT桁(2主版桁)、多主版桁、多主版桁のサークルハンチ形状。
              入力データジェネレート機能対応。

設計荷重
設計・照査
(1)構造解析
(2)鋼材処理
(3)断面照査
(4)その他
付属設計:「横方向の設計」、「横桁の設計」、「PC床板の設計」に対応
(1)設計断面力:単体モード、連動モード
            (2)断面照査:PC、PRC、RC から選択
            (3)横方向:
              1. 箱桁断面はラーメンモデル
              2. 円孔ホロー桁、WT桁は単純梁モデル 
            
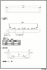
横桁:
              1. ウェブ中心に支承反力を集中荷重として載荷
              2. 支承反力が支承縁端部から45°方向で分布載荷
            
 
			▲横方向モデル化例
 
			▲横桁モデル化例
図面作成部
作用の組み合わせ(部分係数法・H29道示対応)
平成29年11月の道路橋示方書・同解説の部分係数の組み合わせ、および、耐荷性能に関する照査に対応しました。
										風・地震など水平方向の作用は従来通り考慮しません。そのためWS、WL、EQが含まれるケースについては考慮しません。
耐荷性能照査(部分係数法・H29道示対応)
5章の耐荷性能照査に対応しました。
										応答値が制限値を超えないことを限界状態1(3.5.1)および限界状態3(3.5.2)に対して照査します。
 
 
					  耐久性能照査(部分係数法・H29道示対応)
6章の耐久性能に関する部材の設計に対応しました。
										内部鋼材の防食は永続作用時の、コンクリート部材の疲労については式1の作用の組み合わせ及び荷重係数を用いて応力度照査を行います。
 
 
					  桁と床版の接合部の限界状態の照査(部分係数法・H29道示対応)
11.3.2 桁と床版の接合部の限界状態1および11.3.3 桁と床版との接合部の限界状態3に対応しました。 限界状態1は桁と床版の接合面に生じるせん断応力度と制限値の比較を行います。
 
 
					  限界状態3については鉄筋比を参考値として出力します。
 
 
					  プレテン・ポステンの単純桁の設計計算から図面作成までを一貫して行うプログラム。
							断面力の算出は変形法による格子解析により行い、断面照査までの一連の計算が可能です。
								主桁形状として円孔ホロー桁、T桁、I桁、ダブルT桁、JIS桁、平面形状として整形、バチ形、斜角などへ適用可能で、簡単な形状から複雑な形状までの設計が可能です。横桁・床版の設計、横桁・横方向解析機能を装備。円孔ホロー、床版桁については、形状決定から図面作成までを一貫して行うことができます。
設計対象
プレテン・ポステンのPC橋、PRC橋、RC橋、PCコンポ橋。
 
											JIS桁においては呼び名を選択することにより、断面設定、鋼材配置までを自動的に設定できます。
形状
(1)平面形状
            
平面形状:整形、バチ形、斜角および任意形による指定が可能。
              主桁数・横桁数や間隔及び角度を入力することにより、形状を簡単に作成できるジェネレータ機能があります。
 
 
					  円孔ホロー(中空床版)、T桁、I 桁(合成 I 桁)、ダブルT桁(2主版桁)、多主版桁、多主版桁のサークルハンチ形状。
              入力データジェネレート機能対応。

設計荷重
設計・照査
(1)構造解析
(2)鋼材処理
(3)断面照査
(4)その他
付属設計:「横方向の設計」、「横桁の設計」、「PC床板の設計」に対応
(1)設計断面力:単体モード、連動モード
            (2)断面照査:PC、PRC、RC から選択
            (3)横方向:
              1. 箱桁断面はラーメンモデル
              2. 円孔ホロー桁、WT桁は単純梁モデル 
            
横桁:
              1. ウェブ中心に支承反力を集中荷重として載荷
              2. 支承反力が支承縁端部から45°方向で分布載荷
            
 
			▲横方向モデル化例
 
			▲横桁モデル化例
図面作成部
本体価格
価格は税込表示です
■本体価格
| 製品名 | 価格 | 
|---|---|
| PC単純桁の設計・3DCAD(部分係数法・H29道示対応) | ¥330,000(税抜¥300,000) | 
| PC単純桁の設計・CAD(旧基準) Ver.4 | ¥218,680(税抜¥198,800) | 
| 「平成24年道示対応版」です。 本製品では、旧基準は扱えません。ただし、他の基準類は基本的にそのまま継承いたします。 | 
■フローティングライセンス価格
本体価格の40%を追加いただくことで、誰でも、どこでも、どのPCでも製品の利用が可能となります。
| 製品名 | 価格 | 
|---|---|
| PC単純桁の設計・3DCAD(部分係数法・H29道示対応) | ¥132,000(税抜¥120,000) | 
| PC単純桁の設計・CAD(旧基準) Ver.4 | ¥87,472(税抜¥79,520) | 
サブスクリプションサービス 契約価格
                                    ■サポート内容
                                    ・バージョンアップ無償提供  ・電話問合せテクニカルサポート
                                    ・問合せサポート(電子メール、FAX)  ・ダウンロードサービス  ・保守情報配信サービス    
                                  ※ライセンス管理コスト削減、製品ご利用形態ニーズ多様化への対応を充実させることを目的として、従来の保守・サポート形態からより便利な、「サブスクリプションサービス」へ順次移行いたします(2016年4月1日~)。
価格は税込表示です
| 対象製品 | 初年度 | 1年 | 
|---|---|---|
| PC単純桁の設計・3DCAD(部分係数法・H29道示対応) サブスクリプション | 無償 | ¥132,000(税抜¥120,000) | 
| PC単純桁の設計・CAD(旧基準) Ver.4 サブスクリプション | ¥87,472(税抜¥79,520) | |
| PC単純桁の設計・CAD(部分係数法・H29道示対応) サブスクリプションフローティング | ¥184,800(税抜¥168,000) | |
| PC単純桁の設計・CAD(旧基準) Ver.4 サブスクリプションフローティング | ¥122,460(税抜¥111,328) | 
■レンタルライセンス:短期間での利用により、低廉な価格でのライセンス利用が可能
■レンタルフローティングライセンス:ライセンスの認証をWeb経由で受ければ、誰でも、どこでも、どのPCでも製品の利用が可能
■レンタルアクセス:既に購入済みの製品の利用ライセンス数を増やす事が可能です。事前契約により、レンタルライセンス期間(1ヵ月~3ヵ月)の単位で自動的にライセンスが付与されます。利用実績に応じて後日請求いたします。事前申込価格として、レンタルライセンス価格の15%引きとなります。ユーザ情報ページにてお申込みいただけます。
※サービス強化、利便性向上を図る目的で「レンタルライセンス/レンタルフローティングライセンス」を2007年9月3日より提供を開始しました。
※レンタルライセンス/レンタルフローティングライセンス開始後の期間変更は出来ません。期間延長の場合は再申込となります。
レンタルライセンス/レンタルフローティングライセンス
価格は税込表示です
■レンタルライセンス
| 対象製品 | 2ヶ月 | 3ヶ月 | 6ヶ月 | 
|---|---|---|---|
| PC単純桁の設計・3DCAD(部分係数法・H29道示対応) | ¥148,500 | ¥174,900 | ¥214,500 | 
| PC単純桁の設計・CAD(旧基準) Ver.4 | ¥98,406 | ¥115,900 | ¥142,142 | 
■レンタルフローティングライセンス
| 対象製品 | 2ヶ月 | 3ヶ月 | 6ヶ月 | 
|---|---|---|---|
| PC単純桁の設計・3DCAD(部分係数法・H29道示対応) | ¥247,500 | ¥293,700 | ¥363,000 | 
| PC単純桁の設計・CAD(旧基準) Ver.4 | ¥164,010 | ¥194,625 | ¥240,548 | 
教育機関の関係者、研究者、学生などの教育目的のご利用に向けて、アカデミーライセンスを提供しています。
アカデミー価格
価格は税込表示です
| 製品名 | アカデミー価格 | 
|---|---|
| PC単純桁の設計・3DCAD(部分係数法・H29道示対応) | ¥264,000(税抜¥240,000) | 
| PC単純桁の設計・CAD(旧基準) Ver.4 | ¥174,944(税抜¥159,040) | 
バージョンアップ開発履歴
■バージョンアップ、リビジョンアップ(無償保守)の主な内容を一覧にしています。
								旧版改訂、リバイバル版リリース時などの場合にご参考ください。
| PC単純桁の設計・3DCAD(部分係数法・H29道示対応) | ||
| バージョン | リリース日 | バージョンアップ内容 | 
|---|---|---|
| 1.0.0 | 23/06/30 | 新規リリース。 
 | 
| PC単純桁の設計・CAD(旧基準) Ver.4 | ||
| バージョン | リリース日 | バージョンアップ内容 | 
|---|---|---|
| 4.00.00 | 12/05/15 | 
 | 
| 3.99.00 (Ver.4暫定版) | 12/04/11 | PC単純桁の設計 Ver.4(平成24年道示対応版)(暫定版) 平成24年2月16日に国土交通省より通知された道路橋示方書の条文に対応。 
 | 
動作環境
| OS | Windows 10 / 11 | |
|---|---|---|
| CPU | OSのシステム要件を満たし、問題なく動作する環境 | |
| 必要メモリ(OSも含む) | OSのシステム要件を満たし、問題なく動作する環境 | |
| 必要ディスク容量 | 約50MB以上(インストール時及び実行時含む) | |
| ディスプレイ(画面解像度) | 800×600以上(推奨1024×768以上) | |
| 入力データ 拡張子 | 部分係数法・H29道示対応 | PFP | 
| 旧基準版 | F8P、PCY <旧データ>PCI、APCI | |
| ファイル出力 | HTML、SXF、DWG、DXF、JWW、JWC F8出力編集ツール対応:TXT、HTM、 PPF、DOC、 DOCX、PDF、 JTD、JTDC | |
| 他製品との連動 | 旧基準版 | <読込> 断面登録(SBR) <保存> SI対応版 F8旧製品データ($o1) 任意形格子桁の計算 断面登録(SBR) | 
| 備考 | 断面登録 | |
製品購入/お問い合わせ窓口
■FORUM8 オーダーページで購入
製品購入 - オーダーページ にて、バージョンアップ・新規製品・各種サービスの御見積作成・申込・決済ができます。
クレジット利用や、分割払いシステムでの購入も可能です。
ご質問は、バージョンアップセンタ(vc@forum8.co.jp)までお気軽にお問い合わせ下さい。
| ▼TC090227 ( 36P, 280KB ) プレテン箱桁(JIS)サンプル  | ▼Sample1_PosT ( 88P, 424KB ) ポストテンション方式PC単純T桁橋 サンプル  | ▼Sample2_WT(PRC) ( 58P, 328KB ) PRCダブルT桁橋 サンプルデータ  | |
| ▼Sample3_Horo. ( 26P, 273KB ) PC円孔ホローサンプル  | ▼Sample4_PreHoro. ( 126P, 588KB ) プレテンション方式PC単純床版橋  | ▼Sample5_PreT ( 100P, 458KB ) プレテンT桁(JISA5313-1995)サンプル  | |
| ▼Sample6_PreI. ( 24P, 126KB ) プレテンT桁(JISA5313-1995) スラブ橋桁サンプル  | ▼Sample7_PosI ( 98P, 489KB ) ポステンI桁橋サンプル  | ▼Sample8_RCSlab ( 52P, 317KB ) RC円孔ホロー床版橋サンプル  | |
| ▼Sample9_COMPO ( 103P, 544KB ) PCコンポ橋サンプル  | ▼Sample_Y ( 24P, 178KB ) PC箱桁橋、多主版桁橋の 横桁計算サンプル  | ▼Yoko_Hoko ( 30P, 160KB ) PCダブルT桁横方向計算サンプル  | |
| ▼Yoko_Hoko_V2 ( 26P, 155KB ) PCダブルT桁横方向計算サンプル  | 
活荷重種類として「旧活荷重のT荷重」をサポートしていません。
可能です。 歩道橋の場合は標準入力-橋面の基本データで「車道」、「中央分離帯」を’なし’とし、形状データで歩道の幅員を入力していただければ結構です。
可能です。
可能です。一旦、詳細データを作成した後で断面形を追加していただき、使用断面の断面形を変える、あるいは解析に使用する断面諸量を変える(断面照査が不要なとき)という操作になります。
格点データをご自身で編集していただければ計算可能ですが、図面は描けません。
可能です。付属設計機能としてPC床版の設計をサポートしています。
可能です。「軽荷重スラブ(JIS)」は本製品の’プレテンI桁(JIS)’を選択してください。
横桁にケーブルを配置して合成応力度の照査などを行なうことができます。
可能です。標準入力-橋面-基本で形状データで歩道を「あり」とし、形状データで歩道の幅員を入力していただければ結構です。
載荷する位置が決まっていれば固定荷重として載せることができます。
可能です。
可能です。任意照査点を設定できます。

LOADING