切梁式二重締切工CADプログラム
初版リリース:2008.07.15/最新Ver.リリース :2012.02.23
関連製品
UC-Drawツールズ
UC-Drawツールズ Strut Double-wall cofferdam(切梁式二重締切工)は、切梁式二重締切工の図面を一括自動生成するためのプログラムです。
| UC-Drawツールズ(図面確認 Ver.6)は、2010年 6月 17日、OCF検定に合格しました。 また、2012年 1月、OCF定期検定に合格し、OCF検定認証を継続しています。 (OCF:オープンCADフォーマット評議会 http://www.ocf.or.jp/) ■OCF検定結果 ・申請ソフトウェア: UC-Drawツールズ(図面確認 Ver.6) ・バージョン: 1 ・カテゴリー: 自動製図 |
![]() |
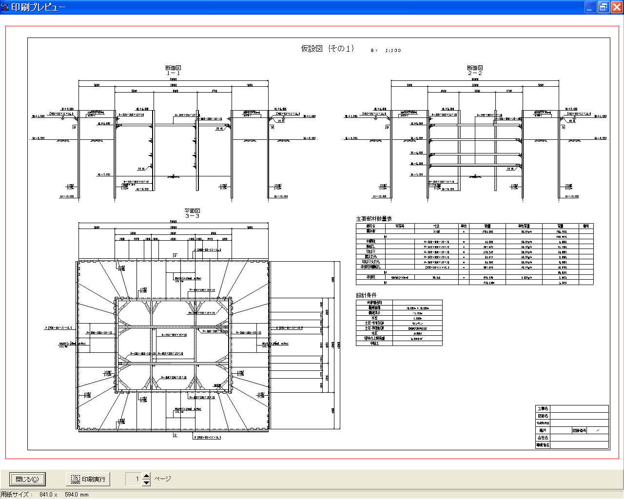
機能概要
作図内容
| 平面図 | ||
| ◆外形線 壁体、切ばり支保工、引張材関連の部材について作図します。 ◆寸法線 掘削幅・堤体関連・切ばり支保工関連の寸法を作図します。 ◆矢視 前後堤体および左右堤体の断面図切り出し位置を示す矢視を作図します。 ◆引出線(部材) 鋼材の名称(断面寸法)、および、その部材の「長さ」や「ピッチ」、「本数」などの情報を作図します。 ◆その他 図形タイトルとして、『平面図』と「矢視表記記号」を作図します。 |
||
| 断面図 | ||
| ◆外形線 壁体、切ばり支保工関連の鋼材、引張材関連の部材、掘削面、河床面、中詰土天端面、水面について作図します。 ◆寸法線 掘削幅・堤体幅・切ばり支保工関連の寸法を作図します。 ◆矢視 平面図切り出し位置を示す矢視を作図します。 ◆引出線(深度) 掘削面、支保工段位置、壁体上端、中詰土天端面、水面、河床面について作図します。 ◆引出線(部材) 鋼材の名称(断面寸法)、および、その部材の「長さ」や「ピッチ」、「本数」などの情報を作図します。 ◆その他 図形タイトルとして、『断面図』と「矢視表記記号」を作図します。 |
||
| 主要部材数量表 | ||
| 構成する部材の数量を表形式で作図します。 ◆作図対象部材
◆作図項目 各部材別情報(部材名、材質等、寸法、単位質量、数量、質量)、部材ごとの合計量(質量)を表記します。 <部材別情報> 1)部材名・・・・・各部材の名称(上記の作図対象部材参照)を作図します。 2)材質等・・・・・部材名称を作図します(但し、引張材は「直径」を作図します)。 3)寸法・・・・・・・部材名称を作図します(但し、引張材は「直径」を作図します)。 4)単位・・・・・・・部材の単位を作図します。 5)数量・・・・・・・部材の合計長を作図します。 6)単位質量・・・部材の単位質量を作図します。 7)質量・・・・・・・部材の質量(数量×単位質量)を作図します(但し、引張材については作図しません)。 8)備考・・・・・・・作図しません。 <部材の種類ごとの合計量> 1)鋼矢板・・・・・・・・・・・・・すべての鋼矢板の合計質量を作図します。 2)鋼管矢板・・・・・・・・・・・すべての鋼管、および、継手管の合計質量を作図します。 3)引張材・・・・・・・・・・・・・すべての引張材の合計長、および、合計質量を作図します。 4)形鋼・・・・・・・・・・・・・・・すべてのH形鋼および溝形鋼の合計質量を作図します。 |
||
| 設計条件表 | ||
設計条件表に作図する以下の項目を設定します。
|
||
| 柱状図 | ||
| ||


※ 2021年4月からの消費税総額表示義務化に伴い、価格表記を「税抜」から「税込」へ移行いたします。
本体価格
価格は税込表示です
■本体価格
| 製品名 | 価格 |
|---|---|
| UC-Drawツールズ Strut Double-wall cofferdam(切梁式二重締切工) | ¥72,600 (税抜¥66,000) |
■フローティングライセンス価格
本体価格の40%を追加いただくことで、誰でも、どこでも、どのPCでも製品の利用が可能となります。
| 製品名 | 価格 |
|---|---|
| UC-Drawツールズ Strut Double-wall cofferdam(切梁式二重締切工) | ¥29,040(税抜¥26,400) |
サブスクリプションサービス 契約価格
■サポート内容
・バージョンアップ無償提供 ・電話問合せテクニカルサポート
・問合せサポート(電子メール、FAX) ・ダウンロードサービス ・保守情報配信サービス
※ライセンス管理コスト削減、製品ご利用形態ニーズ多様化への対応を充実させることを目的として、従来の保守・サポート形態からより便利な、「サブスクリプションサービス」へ順次移行いたします(2016年4月1日~)。
価格は税込表示です
| 対象製品 | 初年度 | 1年 |
|---|---|---|
| サブスクリプション(UC-Drawツールズ Strut Double-wall cofferdam(切梁式二重締切工)) | 無償 | ¥29,040(税抜¥26,400) |
| サブスクリプション(UC-Drawツールズ Strut Double-wall cofferdam(切梁式二重締切工) フローティング) | ¥40,656(税抜¥36,960) |
■レンタルライセンス:短期間での利用により、低廉な価格でのライセンス利用が可能
■レンタルフローティングライセンス:ライセンスの認証をWeb経由で受ければ、誰でも、どこでも、どのPCでも製品の利用が可能
■レンタルアクセス:既に購入済みの製品の利用ライセンス数を増やす事が可能です。事前契約により、レンタルライセンス期間(1ヵ月~3ヵ月)の単位で自動的にライセンスが付与されます。利用実績に応じて後日請求いたします。事前申込価格として、レンタルライセンス価格の15%引きとなります。ユーザ情報ページにてお申込みいただけます。
※サービス強化、利便性向上を図る目的で「レンタルライセンス/レンタルフローティングライセンス」を2007年9月3日より提供を開始しました。
※レンタルライセンス/レンタルフローティングライセンス開始後の期間変更は出来ません。期間延長の場合は再申込となります。
レンタルライセンス/レンタルフローティングライセンス
価格は税込表示です
■レンタルライセンス
| 対象製品 | 2ヶ月 | 3ヶ月 | 6ヶ月 |
|---|---|---|---|
| UC-Drawツールズ Strut Double-wall cofferdam(切梁式二重締切工) | ¥37,026 | ¥43,560 | ¥53,724 |
■レンタルフローティングライセンス
| 対象製品 | 2ヶ月 | 3ヶ月 | 6ヶ月 |
|---|---|---|---|
| UC-Drawツールズ Strut Double-wall cofferdam(切梁式二重締切工) | ¥62,436 | ¥74,052 | ¥91,476 |
| 製品名 | アカデミー価格 |
|---|---|
| UC-Drawツールズ Strut Double-wall cofferdam(切梁式二重締切工) | ¥58,080(税抜¥52,800) |
「フォーラムエイト・ポイント・バンク(FPB)」は、ご購入時に購入金額に応じたポイントを登録ユーザ情報のポイントバンクに加算し、次回以降の購入時にポイントに応じた割引または、随時特別景品に交換するユーザ向けの優待サービスです。
フォーラムエイト・ポイント・バンク(FPB) 交換ポイント
| 製品名 | 交換ポイント数 |
|---|---|
| UC-Drawツールズ Strut Double-wall cofferdam(切梁式二重締切工) | 39,600ポイント |
バージョンアップ開発履歴
■バージョンアップ、リビジョンアップ(無償保守)の主な内容を一覧にしています。
旧版改訂、リバイバル版リリース時などの場合にご参考ください。
| UC-Drawツールズ Strut Double-wall cofferdam(切梁式二重締切工) | ||
| バージョン | リリース日 | 主なバージョンアップ内容 |
| 1.04.00 | 15/12/16 |
|
| 1.01.00 | 09/10/05 |
|
動作環境
| OS | Windows 10 / 11 |
|---|---|
| CPU | Intel Coreシリーズおよび完全互換のあるCPU |
| 必要メモリ(OSも含む) | OSのシステム要件を満たし、問題なく動作する環境 |
| 必要ディスク容量 | 約500MB以上 (インストール時及び実行時含む) |
| ディスプレイ(画面解像度) | 1024×768以上 |
| 入力データ拡張子 | F5M、F6W |
| ファイル出力 | 3DS、PSX、SFC、P21、DXF、DWG、JWC、JWW |
| 他製品との連動 | <読込>切梁式二重締切工の設計・3ACAD <保存>UC-win/Road(3DS) |
製品購入/お問い合わせ窓口
■FORUM8 オーダーページで購入
製品購入 - オーダーページ にて、バージョンアップ・新規製品・各種サービスの御見積作成・申込・決済ができます。
クレジット利用や、分割払いシステムでの購入も可能です。
ご質問は、バージョンアップセンタ(vc@forum8.co.jp)までお気軽にお問い合わせ下さい。
「切梁式二重締切工の設計・3ACAD」の作図機能に特化し、切梁式二重締切工の図面を一括自動生成できます。
下記の各図面ファイル形式に対応した製品と連携できます。
PSX形式:「UC-Draw」の図面ファイル形式。加工図・鉄筋表の関連を保持していますので、加工図を編集した際に鉄筋表にもその修正を反映することが可能。
SFX:JACICが標準化したCADデータ交換用図面ファイル形式
DXF:「AutoCAD」の図面ファイル形式。主にファイル交換用。
DWG:「AutoCAD」の標準図面ファイル形式。
JWW:「JW_CAD」の図面ファイル形式(新)。
JWC:「JW_CAD」の(旧)図面ファイル形式。Ver.2.22H対応。
適用基準は以下の通りです。

LOADING