BOXカルバート1~3連の断面方向、縦方向ウイングの設計・図面作成プログラム
初版リリース:2000.12.08/最新Ver.リリース:2024.09.05
BOXカルバートの設計・3D配筋のライセンスに統合
WebAPとしてマルチプラットフォームでの利用が可能
初版リリース:2019.10.24/最新Ver.リリース:2024.02.02
CAD統合
3D配筋
電子納品
SXF3.1
IFC
3D PDF
本製品のライセンスにて、PCやタブレット端末等でUC-1 Cloud 自動設計 BOXカルバートを無償で利用することが可能です。
フローティングライセンスの場合、端末の種類を問わずブラウザでご利用いただけます。
鉄筋コンクリート式BOXカルバート、翼壁の設計計算、図面作成、設計調書出力を一連でサポート。
通常設計(1~3連, 2層1連)、地震時検討(1~3連)、限界状態設計(1~2連)、斜角付きBOXの設計(1~3連)、門形カルバートおよびウイングの計算が可能で、各種基準類の自動セット、自動配筋機能もサポート。基礎形式は、直接基礎、バネ基礎、杭基礎に対応。荷重は、内外水位・任意荷重及び活荷重、任意活荷重の考慮が可能。
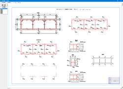
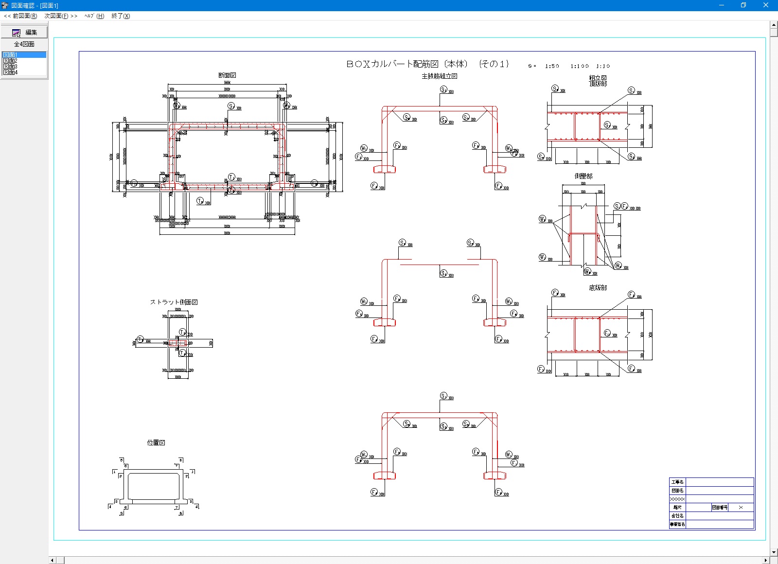
3連BOXまでの本体・翼壁、門形カルバートの一般図から配筋図、組立図、加工図、鉄筋表などを一括生成でき、SXF、DWG、DXF等のファイル出力にも対応。3D配筋機能、IFC、Allplan形式のファイル出力にも対応。
| Lite | Standard | Advanced | |
| 通常設計(1~3連, 2層1連ボックスカルバートの常時計算) | ○ | ○ | ○ |
| 斜角付きBOXカルバート、サイロ土圧 | ○ | ○ | ○ |
| 門形カルバート | ○ | ○ | |
| 限界状態設計 | ○ | ○ | |
| 1~3連BOXカルバートの地震時検討 L1,L2(部材線形解析のみ) | ○ | ○ | |
| 1~3連BOXカルバートの地震時検討(NEXCO) L1 | ○ | ○ | |
| 1~3連BOXカルバートの地震時検討 L2(部材非線形解析) | ○ | ||
| 1~3連ボックスカルバートの地震時検討(NEXCO) L2(部材非線形解析) | ○ | ||
| 1~2連BOXカルバートの地震時検討(NEXCO) L1,L2(応答震度法解析) | ○ | ||
| 大型カルバート | ○ |
▲製品構成
標準機能(通常設計)
斜角付きBOXの設計(NEXCO)/サイロ土圧(NEXCO)

図面作成
3D配筋シミュレーション機能
3D配筋自動生成、表示機能に対応しています。
「3D配筋CAD」と連動した場合、「3D配筋CAD」上で干渉チェックが可能となります。他の鉄筋と衝突している、または所定の間隔を満たしていない鉄筋を検出してリストに一覧表示します。
関連ページ :BOXカルバートの設計 Ver.9 3D配筋シミュレーション対応(Up&Coming '10 盛夏の号掲載)
設計調書出力
予め用意してあるテンプレートを用いて、設計条件、図、計算結果等を自動的に反映した設計調書の出力に対応しています。
大きく分けて詳細設計調書と比較表が出力可能です。
「国土交通省 詳細設計照査要領(平成29年)」→「Ⅳ.道路詳細設計」の書式に基づいて出力します。
最大3データの結果を1ページにまとめた比較表を出力します。
※設計調書の出力は、当製品と別に「調表出力ライブラリ Ver.2」をインストールする必要があります(本プログラムのみでは動作いたしません)。
地震時検討

▲矩形きょのフレームモデルと地盤反力係数
限界状態設計
「コンクリート標準示方書 設計編 (2007年制定)」等の内容を参考に、終局限界状態の照査として曲げ耐力・せん断耐力の照査、使用限界状態の照査として曲げひび割れの照査を行います。終局限界状態照査での構造細目として最小・最大鉄筋量の照査も行えます。
門形カルバート
1.杭の種類 : 鋼管杭、RC杭、PC杭、PHC杭、場所打ち杭
2.施工工法 : 打込み(打撃)、打込み(バイブロハンマ)、中掘り、プレボーリング
3.杭頭結合条件 : 剛結、ヒンジ
4.杭先端条件 : 固定、ヒンジ、自由
▲杭頭変位量照査の結果確認
地震時検討
大型カルバート
国総研資料1247号「大型のボックスカルバートの耐震性照査手法に関する研究」の内容に準拠した、地震時の照査が可能です。
UC-1水工シリーズの「BOXカルバートの設計・3D配筋(下水道耐震)」は、「下水道施設の耐震対策指針と解説」を参考とし、1~3連ボックスカルバートおよび開きょの断面方向(常時、レベル1地震時、レベル2地震時)、縦断方向の計算(レベル1地震時、レベル2地震時)を行います。
本製品との機能の違いについては下記のとおりです。
適用基準・機能比較表
| BOXカルバートの設計 | BOXカルバートの設計(下水道耐震) | ||
| 適用基準 | 土工指針 国土交通省 NEXCO 土地改良 |
下水道施設 土地改良施設 水道施設 |
|
| 適 用 構 造 物 |
構造形式 | 1・2・3連、2層1連 | 1・2・3連 |
| 基礎形式 | 直接基礎(地盤反力度) 直接基礎(バネ基礎) 杭基礎(*1) |
直接基礎(地盤反力度) 直接基礎(バネ基礎) 杭基礎(*2) |
|
| RC構造 | ○ | ○ | |
| PC構造 | ─ | 頂底版のみ | |
| 剛域の考慮 | ○ | ○ | |
| 埋戻し土の考慮 | ○ | ○ | |
| インバート形 | ─ | ○(1連時のみ) | |
| ウイング設置 | 常時のみ(単一地盤) | ─ | |
| 踏掛版設置 | 常時のみ | ─ | |
| 斜角付き | ○ | ─ | |
| 門形カルバート | ○ | ─ | |
| 開きょ | ─ | ○(応答変位法/震度法) | |
| 荷重 | 死荷重 | 最大10ケース | 最大10ケース |
| 活荷重 | 最大30ケース | 最大7ケース | |
| 内空活荷重 | ○ | ─ | |
| 隔壁への衝突荷重 | ○ | ─ | |
| 温度荷重、乾燥収縮 | ○ | ○ | |
| 地 震 時 参 考 文 献 |
レベル1地震時 | ・設計要領第二集カルバート編 ・「共同溝設計指針」、「駐車場設計指針」、「下水道施設の耐震対策指針」 ・下水道施設の耐震対策指針-2014年版-・下水道施設耐震計算例-2015年版- ・土地改良施設 耐震設計の手引き |
・下水道施設の耐震対策指針 ・土地改良施設 耐震設計の手引き ・水道施設耐震工法指針 1997年 ・下水道施設耐震対策指針-2014年版- ・下水道施設耐震計算例-2015年版- |
| レベル2地震時 | ・下水道施設の耐震対策指針 ・下水道施設の耐震対策指針-2014年版- ・下水道施設耐震計算例-2015年版- ・土地改良施設 耐震設計の手引き |
・下水道施設の耐震対策指針 ・土地改良施設 耐震設計の手引き ・水道施設耐震工法指針 1997年 ・下水道施設の耐震対策指針-2014年版- ・下水道施設耐震計算例-2015年版- |
|
| 断 面 方 向 |
常時・レベル1地震時 (許容応力度法) |
・曲げ応力度 ・せん断応力度 ・最小鉄筋量 ・最大鉄筋量 |
・曲げ応力度 ・せん断応力度 ・最小鉄筋量(RC部材) ・最大鉄筋量(RC部材) |
| レベル2地震時 (限界状態設計法) |
|||
| 縦方向の計算 | ・常時 ・下水道施設の耐震対策指針に準じたレベル1、レベル2地震時 |
下水道施設の耐震対策指針に準じたレベル1、レベル2地震時 | |
| ウイングの計算 | 常時のみ | ─ | |
| 図面作成 | ○ | ○ | |
(*1):常時、レベル1、レベル2に対応(地震時は地震時検討NEXCOの場合はレベル1のみ対応)
地震時検討での杭基礎は「下水道施設耐震計算例-処理場・ポンプ場編-2015年版 (社)日本下水道協会」の「4.Ⅱ類 地中埋設線状構造物」の杭基礎での応答変位法による計算例を参照したBOXと杭を一体として解析する方法。常時のみの検討ではBOXと杭を分離して解析する方法。
(*2):常時、レベル1、レベル2に対応
「下水道施設耐震計算例-処理場・ポンプ場編-2015年版 (社)日本下水道協会」の「4.Ⅱ類 地中埋設線状構造物」の杭基礎での応答変位法による計算例を参照(BOXと杭を分離して解析する方法)
※「BOXカルバートの設計」で設計要領第二集カルバート編(H28.8)を参考としたレベル2地震時照査を行うにはAdvancedライセンスが必要
| (社)日本道路協会 | 道路土工 カルバート工指針(平成21年度版) 平成22年3月 道路土工 カルバート工指針 平成11年3月 |
| 東・中・西日本高速道路(株) | 設計要領第二集 カルバート 建設編 令和元年7月 設計要領第二集 カルバート編 平成28年8月 ボックスカルバート標準設計図集 平成11年5月 CADによる図面作成要領(案) 平成29年9月 |
| (社)全日本建設技術協会 | 土木構造物設計ガイドライン 平成11年11月 土木構造物標準設計第1巻(暗きょ類) 平成12年9月 |
| 農林水産省 | 土地改良事業標準設計図面集「ボックスカルバート工」利用の手引き 平成11年3月 土地改良事業計画設計基準・設計 「水路工」の基準及び運用の解説、技術書 平成26年3月 |
| 国土交通省 | 3次元モデル表記標準(案) 令和2年3月 CIM導入ガイドライン(案) 令和2年3月 3次元モデル成果物作成要領(案) 令和3年3月 CAD製図基準 平成29年 3月 |
| (社)土木学会 | 土木製図基準 平成15年5月 |
| (社)日本道路協会 | 道路橋示方書・同解説:SI単位系移行に関する参考資料 平成10年7月 共同溝設計指針 昭和61年3月 駐車場設計・施工指針 同解説 平成4年11月 |
| (公社)日本下水道協会 | 下水道施設の耐震対策指針と解説-2014年版- 平成26年5月 下水道施設の耐震対策指針と解説-2006年版- 平成18年8月 下水道施設耐震計算例-管路施設編-前編 2015年版 平成27年6月 下水道施設耐震計算例-管路施設編-後編 2001年版 平成13年4月 |
| (社)土木学会 | [2007年制定]コンクリート標準示方書 設計編 平成20年3月 |
| 農林水産省 | 土地改良施設 耐震設計の手引き 平成16年3月 |
| (一社)道路プレキャストコンクリート製品技術協会 | 道路プレキャストコンクリート工 耐震設計要領 -カルバート編- 令和3年4月 |
| その他 | エクセルボックスカルバートの設計例 平成17年1月 (株)山海堂 大型のボックスカルバートの耐震性照査手法に関する研究 令和5年4月 国土交通省 国土技術総合研究所 国立研究開発法人土木研究所 |
本製品はWebアプリのためインストールの必要がなく、インターネットに接続できる環境があれば、PCやタブレット端末やスマートフォン等、デバイスを選ばず主要な Webブラウザで気軽に利用することが出来ます。さらにユーザアカウント毎に環境が用意されるため、別々の端末でも同様の設定やサービスが利用できます。
例えば、会社のPCで作成したデータを、外出先ではタブレット端末やスマートフォンで利用でき、複数の作業者が共同で編集を行うなど、高い利便性を実現します。
シンプルな入力
タブレットやスマートフォン端末といった比較的小さな画面での利用を想定し、入力項目を最小限に抑え、少ない入力で概略的な計算が行えるよう対応しました。操作についても、PCやタブレット等のマルチデバイス、マルチブラウザで快適に利用できるようレスポンシブなインターフェースを用意しています。
![]() |
![]() |
自動設計を強力サポート
自動設計は最小限の条件入力から常時~レベル2地震時まで全て計算結果がOKとなる本体寸法、配筋状態を自動的に決定し、且つ計算結果も表示します。「BOXカルバートの設計・3D配筋」の自動設計は常時のみで、本製品はレベル2地震時まで強力にサポートします。また、予め入力した本体寸法や配筋情報等を元に計算を行う詳細設計にも対応します。
計算仕様
鉄筋コンクリート式のBOXカルバートを対象に以下をサポートします。
|
適用基準(常時) |
土工指針H21、国土交通省、NEXCO、土地改良(H26) |
|
適用基準(地震時) |
下水道施設2014 |
|
BOX形式 |
1~2連BOX |
|
基礎形式 |
直接基礎(地盤反力度、バネ基礎) |
|
計算対象 |
|
SLA明示項目
運用サーバは東京と沖縄の二か所のデータセンターで稼働しておりますが、いずれか一方で障害が発生した場合は、残る一方に運用を切り替えます。
その際には、DNSのレコードを変更しサービスのURLの接続先をバックアップサーバのものに書き換えて対応します。
24時間
下記を考慮して、約3~7時間程度
99.9 %
<稼働率の定義>
稼働率は、以下の計算式に基づいて算出するものとします。
月間稼働率=(月間総稼動時間-ダウンタイム)/月間総稼動時間×100
電話サポートは、当社営業時間内(9:00~17:30)
市販のサーバ向けバックアップソフトを使用し、ユーザのファイルを格納する保存領域を同セグメント内に設置したNAS上に、アーカイブとして一定期間おきに保存します。
また、データベースについてはデータベースエンジン標準のバックアップ機能を利用し、同じくNAS上に一定期間おきにフルバックアップファイルを保存します。
1週間
3秒以下
HTTPアクセスログおよび、アプリケーションの認証ログを保存します。
認証ログには以下の情報を保存し、将来的にユーザがアプリケーションを利用した時間等の集計を行える機能の提供を想定しています。
監視ソフトウェアを使い、ウエブサイトへのアクセスとサーバの状況を監視しています。不正な状況が発見される場合、管理者に自動的に通知されます。
障害内容はユーザー情報ページに掲載します。特定のユーザーに固有の障害が発生している場合はメールにて連絡します。
現状では、アプリケーションの利用が行えなくなるのみで、データを削除した旨の自動通知(メール)は発行していませんが、利用者が希望した際にはデータを確実に削除した旨の通知(メール)を発行します。
無
可能
本体価格
価格は税込表示です
■本体価格
製品名 |
価格 |
|---|---|
| BOXカルバートの設計・3D配筋 Ver.24 Advanced | ¥396,000(税抜¥360,000) |
| BOXカルバートの設計・3D配筋 Ver.24 Standard | ¥319,000(税抜¥290,000) |
| BOXカルバートの設計・3D配筋 Ver.24 Lite | ¥217,800(税抜¥198,000) |
■フローティングライセンス価格
本体価格の40%を追加いただくことで、誰でも、どこでも、どのPCでも製品の利用が可能となります。
製品名 |
価格 |
|---|---|
| BOXカルバートの設計・3D配筋 Ver.24 Advanced | ¥158,400(税抜¥144,000) |
| BOXカルバートの設計・3D配筋 Ver.24 Standard | ¥127,600(税抜¥116,000) |
| BOXカルバートの設計・3D配筋 Ver.24 Lite | ¥87,120(税抜¥79,200) |
■UC-1 Cloud 自動設計 BOXカルバート 単体価格
グレードアップ価格
価格は税込表示です
| プログラム名 | 対象製品 | 価格/種別 | 備考 | |
| BOXカルバートの設計・3D配筋 Ver.24 Advanced |
BOXカルバートの設計・3D配筋 Ver.24 Standard |
¥92,400(税抜¥84,000) | グレードアップ | - |
| BOXカルバートの設計・3D配筋 Ver.24 Advanced |
BOXカルバートの設計・3D配筋 Ver.24 Lite |
¥213,840(税抜¥194,400) | グレードアップ | - |
| BOXカルバートの設計・3D配筋 Ver.24 Standard |
BOXカルバートの設計・3D配筋 Ver.24 Lite |
¥121,440(税抜¥110,400) | グレードアップ | - |
サブスクリプションサービス 契約価格
■サポート内容
・バージョンアップ無償提供 ・電話問合せテクニカルサポート
・問合せサポート(電子メール、FAX) ・ダウンロードサービス ・保守情報配信サービス
※ライセンス管理コスト削減、製品ご利用形態ニーズ多様化への対応を充実させることを目的として、従来の保守・サポート形態からより便利な、「サブスクリプションサービス」へ順次移行いたします(2016年4月1日~)。
価格は税込表示です
■サブスクリプション価格
| 対象製品 | 初年度 | 1年 |
|---|---|---|
| BOXカルバートの設計・3D配筋 Ver.24 Advanced | 無償 | ¥158,400(税抜¥144,000) |
| BOXカルバートの設計・3D配筋 Ver.24 Standard | ¥127,600(税抜¥116,000) | |
| BOXカルバートの設計・3D配筋 Ver.24 Lite | ¥87,120 (税抜¥79,200) |
■サブスクリプションフローティング価格
| 対象製品 | 初年度 | 1年 |
|---|---|---|
| BOXカルバートの設計・3D配筋 Ver.24 Advanced | 無償 | ¥221,760(税抜¥201,600) |
| BOXカルバートの設計・3D配筋 Ver.24 Standard | ¥178,640(税抜¥162,400) | |
| BOXカルバートの設計・3D配筋 Ver.24 Lite | ¥121,968(税抜¥110,880) |
■サブスクリプション料率変更に関する価格体系改訂のご案内
2025年7月1日より、F8-AI™ UCサポートを実装した以下の製品は、サブスクリプション価格を製品定価の50%に改訂いたします。
BOXカルバートの設計・3D配筋 Ver.25
【Lite】
製品定価:¥239,800(税抜 ¥218,000)
サブスクリプション価格:¥119,900(税抜 ¥109,000)
サブスクリプションフローティング価格:¥167,860(税抜 ¥152,600)
【Standard】
製品定価:¥352,000(税抜 ¥320,000)
サブスクリプション価格:¥176,000(税抜 ¥160,000)
サブスクリプションフローティング価格:¥246,400(税抜 ¥224,000)
【Advanced】
製品定価:¥440,000(税抜 ¥400,000)
サブスクリプション価格:¥220,000(税抜 ¥200,000)
サブスクリプションフローティング価格:¥246,400(税抜 ¥224,000)
■BOXカルバートの設計・3D配筋 Ver.24ユーザ様対象のサブスクリプション更新価格について
初回更新に限り、Ver.25へのエンハンスト(Ver.24とVer.25の本体価格の差額)および新サブスクリプション契約での更新となります。
【Lite】
エンハンスト費用
:¥22,000(税抜¥20,000)
エンハンスト費用フローティングあり
:¥30,800(税抜¥28,000)
【Standard】
エンハンスト費用
:¥33,000(税抜¥30,000)
エンハンスト費用フローティングあり
:¥46,200(税抜¥42,000)
【Advanced】
エンハンスト費用
:¥44,000(税抜¥40,000)
エンハンスト費用フローティングあり
:¥61,600(税抜¥56,000)
■UC-1 Cloud 自動設計 BOXカルバート 単体 サブスクリプション価格
| 対象製品 | 初年度 | 1年 |
|---|---|---|
| UC-1 Cloud 自動設計 BOXカルバート Ver.2 | 無償 | ¥86,240(税抜¥78,400) |
■レンタルライセンス:短期間での利用により、低廉な価格でのライセンス利用が可能
■レンタルフローティングライセンス:ライセンスの認証をWeb経由で受ければ、誰でも、どこでも、どのPCでも製品の利用が可能
■レンタルアクセス:既に購入済みの製品の利用ライセンス数を増やす事が可能です。事前契約により、レンタルライセンス期間(1ヵ月~3ヵ月)の単位で自動的にライセンスが付与されます。利用実績に応じて後日請求いたします。事前申込価格として、レンタルライセンス価格の15%引きとなります。ユーザ情報ページにてお申込みいただけます。
※サービス強化、利便性向上を図る目的で「レンタルライセンス/レンタルフローティングライセンス」を2007年9月3日より提供を開始しました。
※レンタルライセンス/レンタルフローティングライセンス開始後の期間変更は出来ません。期間延長の場合は再申込となります。
レンタルライセンス/レンタルフローティングライセンス
価格は税込表示です
■レンタルライセンス
| 対象製品 | 2ヶ月 | 3ヶ月 | 6ヶ月 |
|---|---|---|---|
| BOXカルバートの設計・3D配筋 Ver.24 Advanced | ¥178,200 | ¥209,880 | ¥257,400 |
| BOXカルバートの設計・3D配筋 Ver.24 Standard | ¥143,550 | ¥169,070 | ¥207,350 |
| BOXカルバートの設計・3D配筋 Ver.24 Lite | ¥98,010 | ¥115,434 | ¥141,570 |
■レンタルフローティングライセンス
| 対象製品 | 2ヶ月 | 3ヶ月 | 6ヶ月 |
|---|---|---|---|
| BOXカルバートの設計・3D配筋 Ver.24 Advanced | ¥297,000 | ¥352,440 | ¥435,600 |
| BOXカルバートの設計・3D配筋 Ver.24 Standard | ¥239,250 | ¥283,910 | ¥350,900 |
| BOXカルバートの設計・3D配筋 Ver.24 Lite | ¥163,350 | ¥193,842 | ¥239,580 |
| 製品名 | アカデミー価格 |
|---|---|
| BOXカルバートの設計・3D配筋 Ver.24 Advanced | ¥316,800(税抜¥288,000) |
| BOXカルバートの設計・3D配筋 Ver.24 Standard | ¥255,200(税抜¥232,000) |
| BOXカルバートの設計・3D配筋 Ver.24 Lite | ¥174,240(税抜¥158,400) |
| UC-1 Cloud 自動設計 BOXカルバート Ver.2 単体 | ¥172,480(税抜¥156,800) |
バージョンアップ開発履歴
■バージョンアップ、リビジョンアップ(無償保守)の主な内容を一覧にしています。
旧版改訂、リバイバル版リリース時などの場合にご参考ください。
| BOXカルバートの設計・3D配筋 Ver.24 | ||
| バージョン | リリース日 | バージョンアップ内容 |
|---|---|---|
| 24.0.0 | 24/09/05 |
|
| UC-1Cloud 自動設計 BOXカルバート Ver.2 | ||
| バージョン | リリース日 | バージョンアップ内容 |
|---|---|---|
| 2.1.0 | 24/02/02 |
|
| 2.0.0 | 20/06/02 |
|
| 1.0.0 | 19/10/24 | 新規リリース |
動作環境
| OS | Windows 10 / 11 |
|---|---|
| CPU | Intel Coreシリーズおよび完全互換のあるCPU Advanced版で部材の非線形特性を考慮したレベル2地震時照査を行う場合、CPUはPentium4(Athron64,PentiumM以降のSSE2機能を備えたCPU)以上が必要となります。 |
| 必要メモリ(OSも含む) | OSのシステム要件を満たし、問題なく動作する環境 |
| 必要ディスク容量 | 約400MB以上の空き容量 (推奨500MB以上の空き容量) |
| ディスプレイ(画面解像度) | 1024×768以上 |
| 入力データ拡張子 | F8B <旧データ>BIW、ABIW |
| ファイル出力 | HTML、3DS、VRML、PSX、SFC、P21、TSD、DWG、DXF、JWW、JWC F8出力編集ツール対応:TXT、HTM、 PPF、DOC、 DOCX、XLSX、XLS、PDF、 JTD、JTDC |
| 他製品との連動 | <保存> GeoFEAS2D地盤解析用地形データ(GF1) Engineer's Studio®データ(ES) UC-win/Road(3DS、VRML) SI対応版 F8旧製品データ($o1) UC-Draw(PSX、TSD) |
| 備考 | 調表出力対応 |
製品購入/お問い合わせ窓口
■FORUM8 オーダーページで購入
製品購入 - オーダーページ にて、バージョンアップ・新規製品・各種サービスの御見積作成・申込・決済ができます。
クレジット利用や、分割払いシステムでの購入も可能です。
ご質問は、バージョンアップセンタ(vc@forum8.co.jp)までお気軽にお問い合わせ下さい。
鉄筋コンクリート式BOXカルバート、翼壁の設計計算、図面作成、設計調書出力を一連でサポート。
通常設計(1~3連, 2層1連)、地震時検討(1~3連)、限界状態設計(1~2連)、斜角付きBOXの設計(1~3連)、門形カルバートおよびウイングの計算が可能で、各種基準類の自動セット、自動配筋機能もサポート。基礎形式は、直接基礎、バネ基礎、杭基礎に対応。荷重は、内外水位・任意荷重及び活荷重、任意活荷重の考慮が可能。
3連BOXまでの本体・翼壁、門形カルバートの一般図から配筋図、組立図、加工図、鉄筋表などを一括生成でき、SXF、DWG、DXF等のファイル出力にも対応。
3D配筋機能、IFC、Allplan形式のファイル出力にも対応。
製品構成:
| Lite | Standard | Advanced | |
| 通常設計(1~3連, 2層1連ボックスカルバートの常時計算) | ○ | ○ | ○ |
| 斜角付きBOXカルバート、サイロ土圧 | ○ | ○ | ○ |
| 門形カルバート | ○ | ○ | |
| 限界状態設計 | ○ | ○ | |
| 1~3連BOXカルバートの地震時検討 L1,L2(部材線形解析のみ) | ○ | ○ | |
| 1~3連BOXカルバートの地震時検討(NEXCO) L1 | ○ | ○ | |
| 1~3連BOXカルバートの地震時検討 L2(部材非線形解析) | ○ | ||
| 1~3連ボックスカルバートの地震時検討(NEXCO) L2(部材非線形解析) | ○ | ||
| 1~2連BOXカルバートの地震時検討(NEXCO) L1,L2(応答震度法解析) | ○ | ||
| 大型カルバート | ○ |
「Engineer's Studio®」:本製品はレベル2地震時照査用断面力を部材非線形骨組解析により算出しており、この部材非線形骨組解析の解析モデルをEngineer's Studio®のデータファイルとしてエクスポート可能。
「GeoFEAS2D」:本製品で入力した地形データ(地表面、盛土層における座標データ)を「GeoFEAS2D」で読み込み可能な、地盤解析用地形データファイル(*.GF1)として保存可能。
地震時検討(Standard以上):「共同溝設計指針」「駐車場設計施工指針」「下水道施設の耐震対策指針」「土地改良施設耐震設計の手引き」を参照した応答変位法による地震時の検討が可能です(1連~3連ボックスカルバートの常時、レベル1地震時、レベル2地震時)。
部材の非線形特性を考慮したレベル2地震時の照査は、「Advanced」で対応。
「道路土工カルバート工指針(H.11.3)(社)日本道路協会」に記述されている門形カルバートの設計方法により断面力算出、応力度照査を行います。基礎形式は、直接基礎(バネ基礎)、杭基礎に対応しており、地震時の検討(震度法)も可能です。


LOADING