3次元配筋ビューワに加えて、躯体・鉄筋の新規作成、干渉チェックに対応
初版リリース:2011.09.26/最新Ver.リリース:2020.08.18
関連製品: UC-Draw・3DCAD
3D配筋CADは、土木構造物の躯体や鉄筋を実際の寸法で3次元表示することで、複雑な配筋状態を確認することができるほか、躯体・鉄筋の新規作成、鉄筋同士の干渉チェック、および、2次元図面作成、3次元データのエクスポートが可能な3次元CADプログラムです。
国土交通省が推進するCIM(Construction Information Modeling/Management)取組みに沿った「CIM導入ガイドライン 平成29年3月31日」に対応しており、生成した3D配筋データを「CIMモデル」としてエクスポートすることが可能です。
※3D配筋CADは、CIMの推進における技術的検討組織である「Open CIM Forum」の「CIM導入ガイドライン対応ソフトウェア」に登録されています。
3D配筋CAD Ver.4は、2019年4月18日、一般社団法人 buildingSMART Japanが実施するIFC検定に合格しました。
・ソフトウェア名称:3D配筋CAD
・バージョン:3
・検定区分:出力
・検定MVD名称:土木モデルビュー定義2018
・認定番号:CVL01-e-1806
躯体作成
躯体生成には、「断面形状から作成」「矩形押出から作成」「小判から作成」「矩形面取りから作成」「円から作成」することができます。
躯体の作成には、面を押し出して立体形状を作成するスイープと、2つの面を直線で結ぶことで立体化するロフトの二通りの方法に対応、入力イメージは以下の通りです。
■スイープ
■ロフト
▲躯体生成画面
■断面変化のある躯体生成(複数断面躯体生成)
「複数断面の入力」に対応し、断面形状が変化する躯体でも1つの躯体として入力・生成することが可能です。
■開口部入力
開口部を含む躯体の生成を容易に入力・生成することが可能です。
躯体入力(複数断面から作成、または、円・小判・矩形面取りから作成)機能で入力された躯体面に設けた開口部に対し、鉄筋(縦鉄筋、横鉄筋、組立筋)の「開口部箱抜き処理」を自動で行います。また、「開口部補強筋」の配筋に対応しています。
躯体配置
生成した躯体の配置(オフセット、配置角度)を設定できます。これにより構造物躯体を複数に分けて生成し、各躯体の位置を設定することで、1つの構造物を構成することが可能です。
鉄筋生成
鉄筋の種類(主鉄筋、配力筋、組立筋など)、や鉄筋径など選択し、配筋範囲を指定します。 鉄筋形状は、配筋方向と垂直の断面図上で入力します。
■配筋範囲の指定
■鉄筋形状


▲補強筋の配筋
■仮想面への配筋
仮想配筋面へ配筋することで、配筋対象とする配筋面がない場合でも、目的の鉄筋を配筋することが可能です。
■複数面への配筋対応
配筋範囲が複数の「配筋面」や「鉄筋先端面」にかかる場合(指定された躯体面以外)でも、鉄筋形状が変化しなければ、配筋するように改善しました。
▲仮想配筋面への配筋
■配筋ピッチの指定
配筋には基準ピッチで配筋範囲に自動配筋する方法と、配筋ピッチとピッチ数を詳細に指定する方法をサポートします。
■属性入出力
3D配筋CADで生成する「躯体・鉄筋」への「属性入出力」が可能です。
■数量計算対応
躯体数量(コンクリート体積、型枠面積)および鉄筋数量の算出に対応し、算出した数量の数量計算書(数量総括表、躯体寸法図、各部躯体数量、鉄筋数量)を出力します。
干渉チェック
他の鉄筋と衝突している、または所定の間隔を満たしていない鉄筋を検出してリストに一覧表示します。
また、施行時に衝突を回避するために鉄筋をずらすスペースがあるかどうかのシミュレーションも可能です。
■鉄筋間隔計算
指定した鉄筋どうしの間隔を計算し、所定の間隔を満たさない鉄筋を検出します。
■回避シミュレーション
図面作成には反映されませんが、鉄筋を移動させることで衝突を回避できるかをシミュレーションできます。
また、「鉄筋1本ごとのオフセット設定」による「鉄筋1本ごとの干渉回避シミュレーション」に対応しています。図1のように2種類の鉄筋の一部に干渉が生じている場合は、干渉鉄筋のオフセットを設定(図2)することで、干渉を回避することが可能(図3)です。
干渉チェック画面での「鉄筋ごとのオフセット設定」および「鉄筋1本ごとのオフセット設定」による干渉回避シミュレーション結果を表形式で出力することができます。
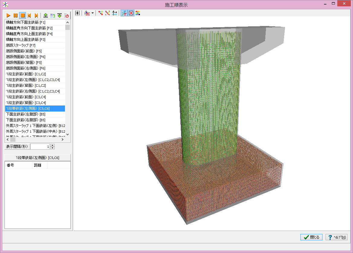
■施工シミュレーション
干渉チェックの結果を鉄筋の施工順に確認することができます。鉄筋が追加された時の干渉ポイントが順番に描画されます。
図面作成
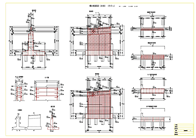
作成した躯体と鉄筋を2次元図面に出力します。
図面の種類は一般構造図、配筋図(平面図・正面図)、配筋図(縦断面・平断面)、加工図(鉄筋表付)から選択可能です。
また、「3D配筋画像出力」(ファイル出力、クリップボード出力)が可能です。
インポート/エクスポート
UC-Drawツールズで生成した3次元配筋データ、IFC形式データを読込および、3DS形式、IFC形式(幾何形状/鉄筋出力)、Allplan形式での保存が行えます。
UC-1設計シリーズのCAD統合版製品からの連携
3次元配筋ビューワ機能が搭載されている下記UC-1設計シリーズについては、本製品をインストールすることで、干渉チェック、および躯体や鉄筋の追加が可能となります。
「3D配筋データ連携」時に「躯体・鉄筋の入力データ」へ展開する機能をサポートし、連動された躯体・鉄筋情報の編集を可能としています。
※3D配筋連携情報の編集に対応した「UC-1設計シリーズ」は、随時リリースする予定です。
■橋脚の設計・3D配筋 連携画面
■橋台の設計・3D配筋 連携画面
■ラーメン橋脚の設計・3D配筋 連携画面
■プラント基礎の設計・3D配筋 連携画面
■BOXカルバートの設計・3D配筋 連携画面
■擁壁の設計・3D配筋 連携画面
■マンホールの設計・3D配筋 連携画面
■柔構造樋門の設計・3D配筋 連携画面
■開水路の設計・3D配筋 連携画面
様々な断面形状を持つ鉄筋コンクリート断面の応力度計算、必要鉄筋量、最小鉄筋量、抵抗モーメント、終局モーメント、初降伏モーメントの計算と、限界状態設計法による断面照査を行うプログラムです。
適用断面は、定形パターンとして9種類、任意形パターンとしてブロック(一軸曲げ)、任意二軸、小判二軸、矩形二軸の4種類に対応しています。最小鉄筋量は定形パターンおよびブロック(一軸曲げ)の断面に限り、「建設省標準設計」または「道路橋示方書」に基づき計算します。
特長
| 断面形 パターン |
応力度 | 必要鉄筋量 | 抵抗 モーメント |
同N-M図 | 終局 モーメント |
同N-M図 | 最小鉄筋量 | 降伏 モーメント |
| 矩形* | ◎ | ◎ | ◎ | ◎ | ◎ | ◎ | ◎ | ◎ |
| 円形* | ◎ | ◎ | ◎ | ◎ | ◎ | ◎ | ◎ | ◎ |
| 小判横* | ◎ | ◎ | ◎ | ◎ | ◎ | ◎ | ◎ | ◎ |
| 小判縦* | ◎ | ◎ | ◎ | ◎ | ◎ | ◎ | ◎ | ◎ |
| I 桁 | ◎ | ◎ | ◎ | ◎ | ◎ | ◎ | ◎ | ◎ |
| T 桁 | ◎ | ◎ | ◎ | ◎ | ◎ | ◎ | ◎ | ◎ |
| ダブルT | ◎ | ◎ | ◎ | ◎ | ◎ | ◎ | ◎ | ◎ |
| 箱桁* | ◎ | ◎ | ◎ | ◎ | ◎ | ◎ | ◎ | ◎ |
| 円孔ホロー* | ◎ | ◎ | ◎ | ◎ | ◎ | ◎ | ◎ | ◎ |
| ブロック* | ◎ | ◎ | ◎ | ◎ | ◎ | ◎ | ◎ | ◎ |
| 任意二軸* | ◎ | - | - | - | - | - | - | - |
| 小判二軸* | ◎ | - | - | - | - | - | - | - |
| 矩形二軸 | ◎ | - | - | - | ◎ | - | - | - |
*:中空断面可 ◎:計算可 -:計算不可
限界状態設計法の照査は、矩形(ハンチなし・中空部なし)、円形・円環、I形、T形、箱形(1室、ハンチなし)に限定されます。また、鉄筋以外の材料及び、ねじりに対する疲労限界状態の照査は行なっていません。

また、矩形ではハンチの設置の仕方により下図のような断面を取り扱えます。

| 鋼材有効応力度σpe | PC鋼材と鉄筋が混在するPRC断面の照査に使用します。 |
| 有効高さd | せん断計算用の有効高さ入力。(0.0の場合、内部計算) |
| τaの準拠基準 | 道示III、道示IV、土工指針から選択できます。 |
| Asminの準拠基準 | 道示III、道示IV、建設省標準設計、bd(有効断面積)、Ac(コンクリート断面積)から選択します。 |
| σc~εc曲線の種類 | 終局、降伏モーメント計算時のσc~εc曲線を道示III、道示V(タイプ1、2)、コンクリート充填橋脚、設計要領H9(タイプ1、2)、設計要領H18(タイプ1、2)、標準示方書(2007)の10種類の中から選択から選択できます。 |
| εcu発生位置 | 終局モーメント計算時に、コンクリートの剥離を考慮します。 |
| τmax算出方法 | 初等はり理論(全断面有効、引張無視)かτ=S/(bjd)かを選択できます。 |
| 円、小判のτm算出式 | τm=S/Acかτm=S/bdかを選択できます。 |
| せん断耐力の準拠基準 | 道示IV、道示V(タイプ1、タイプ2)から選択できます。 |
RC断面計算データ活用
登録断面、FRAMEデータの利用が可能。面倒な動的解析データ作成に役立ちます。

SaaS(サース)とは、Software as a Serviceの略で、ソフトウェアをネットワーク(インターネット)経由のサービスとして提供する形態を示し、クラウドコンピューティングサービスの一形態とも言われています。
従来から主流となっているソフトウェア流通形態では、ユーザはソフトウェアベンダからアプリケーションソフトをパッケージ購入ないしダウンロードし、ユーザ側のコンピュータにインストールして利用するのに対し、SaaSではプログラムはソフトウェアベンダの管理するサーバ上に設置し、ユーザはWebブラウザなどを利用してネットワーク上からこのプログラムに入出力アクセスして利用する形態となります。

▲UC-1 for SaaS アプリケーション接続概念図
特長
UC-1 for SaaS RC断面計算は新たにWebサーバアプリケーション化を行った鉄筋コンクリート断面の応力度計算、断面照査システムで、許容応力度法による断面照査、限界状態設計法による断面照査等、ベース製品と同等の機能をサポートしています。
▲従来製品と同等の断面形状、照査結果出力をサポート
| 対応機能 | UC-1 RC断面計算 |
UC-1 for SaaS RC断面 |
|
|---|---|---|---|
| 旧データ形式(.rcd)読込 | ◎ | ◎ | |
| 登録断面ファイル読込、編集 | ◎ | ◎ | |
| 基準値データファイル保存 | ◎ | ◎ | |
| 断面諸量計算 | ◎ | ◎ | |
| 許容応力度法 | 曲げ応力度/せん断照査/終局モーメント/終局NM図/抵抗モーメント/抵抗NM図/最少鉄筋量/必要鉄筋量/初降伏モーメント/面内マイナス(終局・NM図・初降伏)/面外(終局・NM図・初降伏) | ◎ | ◎ |
| 限界状態設計法 | 曲げ・軸方向耐力(終局)/せん断耐力(終局)/ねじり耐力(終局)/曲げひびわれ(終局)/せん断ひびわれ(使用)/ねじりひびわれ(使用)/曲げ疲労(疲労)/せん断疲労(疲労) | ◎ | ◎ |
| 計算設定一覧・断面寸法一覧入力・断面力一覧入力 | ◎ | ◎ | |
| 基準値入力 | ◎ | ◎ | |
| 計算書ファイル出力(テキストファイル/PPFファイル/Wordファイル) | ◎ | ◎ | |
| 計算書印刷プレビュー機能 | ◎ | ◎ | |
| サンプルデータ | ◎ | ◎ | |
| ヘルプの利用 | ◎ | ◎ | |
| Internet利用による問い合わせサポート | ◎ | ◎ | |
▲従来製品との機能比較表
本体価格
価格は税込表示です
■本体価格
| 製品名 | 価格 |
|---|---|
| 3D配筋CAD Ver.4 | ¥129,800(税抜¥118,000) |
■フローティングライセンス価格
本体価格の40%を追加いただくことで、誰でも、どこでも、どのPCでも製品の利用が可能となります。
| 製品名 | 価格 |
|---|---|
| 3D配筋CAD Ver.4 | ¥51,920(税抜¥47,200) |
サブスクリプションサービス 契約価格
■サポート内容
・バージョンアップ無償提供 ・電話問合せテクニカルサポート
・問合せサポート(電子メール、FAX) ・ダウンロードサービス ・保守情報配信サービス
※ライセンス管理コスト削減、製品ご利用形態ニーズ多様化への対応を充実させることを目的として、従来の保守・サポート形態からより便利な、「サブスクリプションサービス」へ順次移行いたします(2016年4月1日~)。
価格は税込表示です
| 対象製品 | 初年度 | 1年 |
|---|---|---|
| サブスクリプション(3D配筋CAD Ver.4) | 無償 | ¥51,920(税抜¥47,200) |
| サブスクリプション(3D配筋CAD Ver.4 フローティング) | ¥72,688(税抜¥66,080) |
■レンタルライセンス:短期間での利用により、低廉な価格でのライセンス利用が可能
■レンタルフローティングライセンス:ライセンスの認証をWeb経由で受ければ、誰でも、どこでも、どのPCでも製品の利用が可能
■レンタルアクセス:既に購入済みの製品の利用ライセンス数を増やす事が可能です。事前契約により、レンタルライセンス期間(1ヵ月~3ヵ月)の単位で自動的にライセンスが付与されます。利用実績に応じて後日請求いたします。事前申込価格として、レンタルライセンス価格の15%引きとなります。ユーザ情報ページにてお申込みいただけます。
※サービス強化、利便性向上を図る目的で「レンタルライセンス/レンタルフローティングライセンス」を2007年9月3日より提供を開始しました。
※レンタルライセンス/レンタルフローティングライセンス開始後の期間変更は出来ません。期間延長の場合は再申込となります。
レンタルライセンス/レンタルフローティングライセンス
価格は税込表示です
■レンタルライセンス
| 対象製品 | 2ヶ月 | 3ヶ月 | 6ヶ月 |
|---|---|---|---|
| 3D配筋CAD Ver.4 | ¥58,410 | ¥68,794 | ¥84,370 |
■レンタルフローティングライセンス
| 対象製品 | 2ヶ月 | 3ヶ月 | 6ヶ月 |
|---|---|---|---|
| 3D配筋CAD Ver.4 | ¥97,350 | ¥115,522 | ¥142,780 |
| 製品名 | アカデミー価格 |
|---|---|
| 3D配筋CAD Ver.4 | ¥103,840(税抜¥94,400) |
「フォーラムエイト・ポイント・バンク(FPB)」は、ご購入時に購入金額に応じたポイントを登録ユーザ情報のポイントバンクに加算し、次回以降の購入時にポイントに応じた割引または、随時特別景品に交換するユーザ向けの優待サービスです。
フォーラムエイト・ポイント・バンク(FPB) 交換ポイント
| 製品名 | 交換ポイント数 |
|---|---|
| 3D配筋CAD Ver.4 | 70,800ポイント |
バージョンアップ開発履歴
■バージョンアップ、リビジョンアップ(無償保守)の主な内容を一覧にしています。
旧版改訂、リバイバル版リリース時などの場合にご参考ください。
| 3D配筋CAD Ver.4 | ||
| バージョン | リリース日 | 主なバージョンアップ内容 |
| 4.0.0 | 20/08/18 |
|
動作環境
| OS | Windows 10 / 11 |
| CPU | OSのシステム要件を満たし、問題なく動作する環境 |
| 必要メモリ(OSも含む) | Intel Coreシリーズおよび完全互換のあるCPU |
| 必要ディスク容量 | 約500MB以上必要(インストール時及び実行時含む) |
| ディスプレイ(画面解像度) | 1024×768以上 |
| ネットワーク | IPX, TCP/IP, NetBIOS等のプロトコル |
| 他製品との連動 | <連携> 橋脚の設計・3D配筋 橋台の設計・3D配筋 ラーメン橋脚の設計・3D配筋 基礎の設計・3D配筋 深礎フレームの設計・3D配筋 プラント基礎の設計・3D配筋 BOXカルバートの設計・3D配筋 擁壁の設計・3D配筋 マンホールの設計・3D配筋 柔構造樋門の設計・3D配筋 開水路の設計・3D配筋 3DCAD Studio® |
製品購入/お問い合わせ窓口
■FORUM8 オーダーページで購入
製品購入 - オーダーページ にて、バージョンアップ・新規製品・各種サービスの御見積作成・申込・決済ができます。
クレジット利用や、分割払いシステムでの購入も可能です。
ご質問は、バージョンアップセンタ(vc@forum8.co.jp)までお気軽にお問い合わせ下さい。
本製品は、鉄筋コンクリート構造物の躯体と鉄筋(主鉄筋・配力筋・組立筋など)を3次元で作成・編集・表示を行う事ができる3次元配筋CADプログラムです。鉄筋どうしの干渉チェック機能も備えていますので3次元配筋シュミレーションが可能です。
橋台/橋脚などのUC-1シリーズおよびUC-Drawツールズで生成した3次元配筋CADデータの読み込みに対応しているため,他の製品と連携することで,目的の3次元配筋データを効率よく作成可能です。また,3DS形式/IFC形式/Allplan形式での保存も可能です。
【参考】属性情報について
3DS形式:表面をメッシュに分割して形状だけ出力しているため、属性情報なし。
IFC形式:形状確認のみ(属性情報なし)。
Allplan形式:鉄筋記号、鉄筋径、曲げ径。
対応しています。
図面の種類は一般構造図、配筋図(平面図・正面図)、配筋図(縦断面・平断面)、加工図(鉄筋表付)から選択可能です。
干渉チェック後、鉄筋位置を直接入力することにより,再度干渉チェックを行う事で、他の鉄筋との衝突を回避できるか否かを確認できる機能です。なお、図面への反映については別途図面編集が必要です。

LOADING