「道路橋示方書」(令和7年改訂版)対応予定!
斜面上の深礎基礎の設計計算、図面作成プログラム
初版リリース:2017.09.29/最新Ver.リリース:2024.09.30
初版リリース:2016.10.26
関連製品:
橋脚の設計・3D配筋 橋台の設計・3D配筋 箱式橋台の設計計算
ラーメン式橋台の設計計算 ライナープレートの設計・3DCAD
CAD統合
3D配筋
電子納品
SXF3.1
IFC
3D PDF
斜面上の組杭深礎基礎、柱状体深礎基礎及びフーチングの設計計算、図面作成が可能です。公益社団法人 日本道路協会より平成 29 年 11 月に発刊された道路橋示方書・同解説を参考に、基礎の安定照査、杭本体・フーチング部材の耐荷性能の照査及び耐久性能の照査を行うことが可能です。解析方向として面内解析又は面外解析が可能です。杭形状は、円形断面と小判断面に対応しています。橋台、橋脚などの下部工とリアルタイム連動することにより、荷重や柱・フーチング形状を連動することが可能です。図面作成では、一般図から配筋図、組立図、加工図、鉄筋表などの図面を一括生成し、簡易編集、SXF、DXF、DWGなどの 2 次元図面出力及び 3D配筋生成機能(躯体・鉄筋の 3D配筋自動生成機能)による 3Dモデル(IFC、ALLPLAN、DWG、DXF、3DS)出力が可能です。立体解析による荷重分担率の算定機能ではEngineer's Studio®データファイル出力に対応しています。
| 機能 | Lite | Standard | Advanced |
| 柱状体深礎基礎 | ○ | ○ | ○ |
| 組杭深礎基礎 | ○ | ○ | ○ |
| 安定照査(永続・変動・偶発作用時) | ○ | ○ | ○ |
| 底版照査(永続・変動・偶発作用時) | ○ | ○ | ○ |
| 骨組み自動生成機能 | ○ | ○ | ○ |
| 荷重自動生成機能 | ○ | ○ | ○ |
| CAD機能(3D配筋機能含む) | ○ | ○ | ○ |
| 小判形状の杭 | - | ○ | ○ |
| ライナープレート+モルタルライニング混合土留め工 | - | ○ | ○ |
| 底版下面中心位置追加機能 | - | ○ | ○ |
| 荷重載荷ステップαiの拡張機能 | - | ○ | ○ |
| 立体解析による荷重分担率算定(通常版) | - | ○ | ○ |
| 立体解析による荷重分担率算定(拡張版) | - | - | ○ |
| 平面骨組みによる荷重分担率算定 | - | - | ○ |
| logP-logS法による2線交点の降伏点算定機能 | - | - | ○ |
▲製品構成別対応機能
プログラム機能
[主な機能]
[対象構造物]
| (a) | (b) | (c) | ![]() |
|
| 永続・変動作用時・ (耐久性能照査含む) |
○ | ○ | ○ | |
| レベル2地震時 | ○ | - | ○ | |
| 杭体部分 地盤層数: 10層 杭長: 40m 杭径: 20m 杭本数: 5本(1列当たり) フレーム部分 部材数: 99部材 永続・変動作用時: 80ケース レベル2荷重データ:4ケース |
||||
[解析モデル]
地盤の抵抗要素は、下記6種類を考慮。

安定計算モデルは、下記分類による。
| 永続・変動作用時 | レベル2地震時 | |||
| 杭体の剛性 | ・弾性体 | ・ひびわれ、鉄筋降伏による曲げ剛性の 低下を考慮したトリリニア型 |
||
| 地 盤 抵 抗 |
杭 底 面 |
鉛直方向 地盤抵抗 |
・弾性体 (有効載荷面積とする) ・反力度が許容値内 |
・弾塑性体 (有効載荷面積とする) |
| 水平方向 せん断地盤抵抗 |
・バイリニア型モデル | ・バイリニア型モデル | ||
| 杭 前 面 |
水平方向 地盤抵抗 |
・バイリニア型モデル ・3次元的拡がりを考慮した受働抵抗を 上限とする |
・バイリニア型モデル ・3次元的拡がりを考慮した受働抵抗を 上限とする |
|
| 杭 前 背 面 |
鉛直方向 せん断地盤抵抗 |
・土留め施工法に応じて考慮 ・バイリニア型モデル |
・土留め施工法に応じて考慮 ・バイリニア型モデル |
|
| 杭 側 面 |
鉛直方向 せん断地盤抵抗 |
・土留め施工法に応じて考慮 ・バイリニア型モデル |
・土留め施工法に応じて考慮 ・バイリニア型モデル |
|
| 水平方向 せん断地盤抵抗 |
・土留め施工法に応じて考慮 ・バイリニア型モデル |
・土留め施工法に応じて考慮 ・バイリニア型モデル |
||
※土留め工がモルタルライニングや吹付けコンクリートのような場合に考慮できる。
[地盤条件]
平成 29 年道路橋示方書対応
[部分係数]
荷重には、「荷重係数」、「組合せ係数」を乗じます。荷重係数は荷重の種別(死荷重、活荷重、土圧、温度荷重など)によるもので、組合せ係数は同時に考慮する荷重種別の内容によって区分されています。
制限値には、「抵抗係数」、「調査・解析係数」、「部材・構造係数」を乗じます。照査対象によっていろいろな種類に区分されます。
本製品では、これらの係数を基準値にまとめ、一覧・編集ができるようにしています。
[作用ケース]
永続作用が支配的な状況、変動作用が支配的な状況、偶発作用が支配的な状況の 3 分類になります。上記の作用ケースについて、耐荷性能照査を行います。
また、耐久性能照査を行う作用ケースとして、部分係数を全て 1.0 として求めた作用力を用います。
[旧基準との計算方法の違い]
).png)
).png)
.png)
.png)
.png)
.png)
.png)
連動対象製品
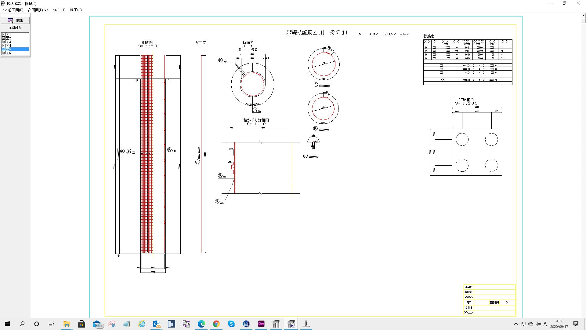
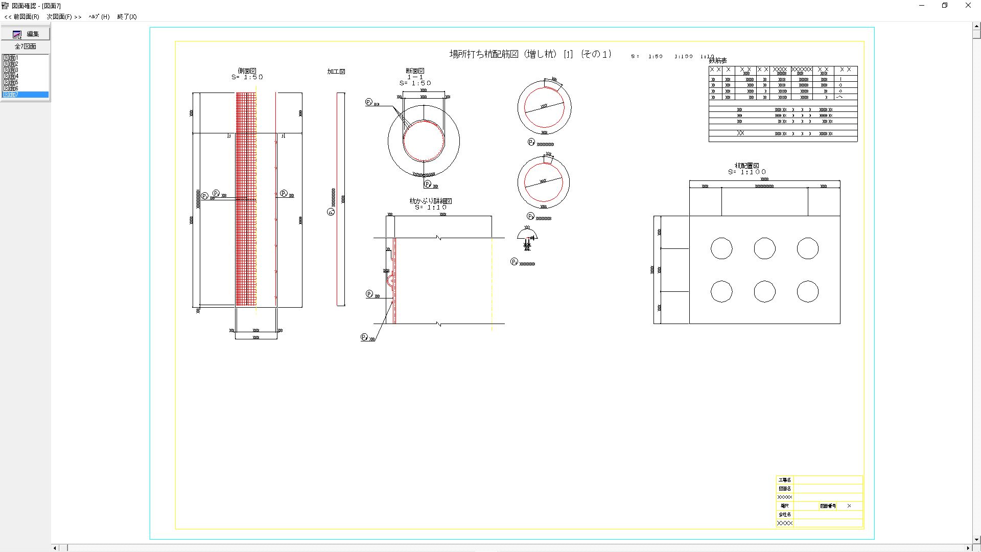
図面作成
3D配筋シミュレーション機能
3D配筋自動生成、表示機能に対応しています。
「3D配筋CAD」と連動した場合、「3D配筋CAD」上で干渉チェックが可能となります。他の鉄筋と衝突している、または所定の間隔を満たしていない鉄筋を検出してリストに一覧表示します。
| (公社)日本道路協会 | 道路橋示方書・同解説 Ⅰ共通編 平成29年11月 道路橋示方書・同解説 Ⅲコンクリート橋・コンクリート部材編 平成29年11月 道路橋示方書・同解説 Ⅳ下部構造編 平成29年11月 道路橋示方書・同解説 Ⅴ耐震設計編 平成29年11月 斜面上の深礎基礎設計施工便覧 令和3年10月 杭基礎設計便覧 令和2年9月 |
| 東・中・西日本高速道路(株) | CADによる図面作成要領(案)平成29年9月 |
| 国土交通省 | 3次元モデル表記標準(案)令和2年3月 CIM導入ガイドライン(案)令和2年3月 3次元モデル成果物作成要領(案)令和3年3月 CAD製図基準 平成29年 3月 |
| 土木学会 | 土木製図基準 平成15年5月 |
| 東・中・西日本高速道路(株) | 設計要領 第二集 橋梁建設編 平成29年7月 |
| (公社)日本道路協会 | 平成29年道路橋示方書に基づく道路橋の設計計算例 平成30年6月 道路橋の耐震設計に関する資料 平成9年3月 道路橋の耐震設計に関する資料 平成10年1月 杭基礎設計便覧 平成19年1月 |
斜面上の組杭深礎基礎、柱状体深礎基礎及びフーチングの設計計算、図面作成が可能です。公益社団法人 日本道路協会より平成 24 年 3 月に発刊された道路橋示方書・同解説及びNEXCO設計要領第二集、斜面上の深礎基礎設計施工便覧を参考に、基礎の安定照査及び杭本体・フーチング部材の照査を行うことが可能です。解析方向として面内解析又は面外解析が可能です。杭形状は、円形断面と小判断面に対応しています。橋台、橋脚などの下部工とリアルタイム連動することにより、荷重や柱・フーチング形状を連動することが可能です。図面作成では、一般図から配筋図、組立図、加工図、鉄筋表などの図面を一括生成し、簡易編集、SXF、DXF、DWGなどの 2 次元図面出力及び 3D配筋生成機能(躯体・鉄筋の 3D配筋自動生成機能)による 3Dモデル(IFC、ALLPLAN、DWG、DXF、3DS)出力が可能です。立体解析による荷重分担率の算定機能ではEngineer's Studio®データファイル出力に対応しています。
| 機能 | Lite | Standard | Advanced |
| 柱状体深礎基礎 | ○ | ○ | ○ |
| 組杭深礎基礎 | ○ | ○ | ○ |
| 安定照査(常時・レベル1地震時・レベル2地震時) | ○ | ○ | ○ |
| 底版照査(常時・レベル1地震時・レベル2地震時) | ○ | ○ | ○ |
| 杭頭接合照査 | ○ | ○ | ○ |
| 骨組み自動生成機能 | ○ | ○ | ○ |
| 荷重自動生成機能 | ○ | ○ | ○ |
| CAD機能(3D配筋機能含む) | ○ | ○ | ○ |
| NEXCO落橋防止構造によるL2照査 | ○ | ○ | ○ |
| 小判形状の杭 | - | ○ | ○ |
| ライナープレート+モルタルライニング混合土留め工 | - | ○ | ○ |
| 立体解析による荷重分担率算定(通常版) | - | ○ | ○ |
| 立体解析による荷重分担率算定(拡張版) | - | - | ○ |
▲製品構成別対応機能
関連情報
プログラム機能
[主な機能]
[対象構造物]
| (a) | (b) | (c) | ![]() |
|
| 常時・ レベル1地震時 |
○ | ○ | ○ | |
| レベル2地震時 | ○ | - | ○ | |
| 杭体部分 地盤層数: 10層 杭長: 40m 杭径: 20m 杭本数: 5本(1列当たり) フレーム部分 部材数: 99部材 常時・レベル1荷重データ: 80ケース レベル2荷重データ:4ケース+落橋防止荷重2ケース |
||||
[解析モデル]
地盤の抵抗要素は、下記6種類を考慮。

安定計算モデルは、下記分類による。
| 常時・暴風時・レベル1地震時 | レベル2地震時 | |||
| 杭体の剛性 | ・弾性体 | ・ひびわれ、鉄筋降伏による曲げ剛性の 低下を考慮したトリリニア型 |
||
| 地 盤 抵 抗 |
杭 底 面 |
鉛直方向 地盤抵抗 |
・弾性体 (有効載荷面積とする) ・反力度が許容値内 |
・弾塑性体 (有効載荷面積とする) |
| 水平方向 せん断地盤抵抗 |
・線形モデル | ・バイリニア型モデル | ||
| 杭 前 面 |
水平方向 地盤抵抗 |
・バイリニア型モデル ・3次元的拡がりを考慮した受働抵抗を 上限とする |
・バイリニア型モデル ・3次元的拡がりを考慮した受働抵抗を 上限とする |
|
| 杭 前 背 面 |
鉛直方向 せん断地盤抵抗 |
・土留め施工法に応じて考慮 ・バイリニア型モデル |
・土留め施工法に応じて考慮 ・バイリニア型モデル |
|
| 杭 側 面 |
鉛直方向 せん断地盤抵抗 |
・土留め施工法に応じて考慮 ・バイリニア型モデル |
・土留め施工法に応じて考慮 ・バイリニア型モデル |
|
| 水平方向 せん断地盤抵抗 |
・土留め施工法に応じて考慮 ・バイリニア型モデル |
・土留め施工法に応じて考慮 ・バイリニア型モデル |
||
※土留め工がモルタルライニングや吹付けコンクリートのような場合に考慮できる。
[地盤条件]
連動対象製品
図面作成
3D配筋シミュレーション機能
3D配筋自動生成、表示機能に対応しています。
「3D配筋CAD」と連動した場合、「3D配筋CAD」上で干渉チェックが可能となります。他の鉄筋と衝突している、または所定の間隔を満たしていない鉄筋を検出してリストに一覧表示します。
設計調書出力
予め用意してあるテンプレートを用いて、設計条件、図、計算結果等を自動的に反映した設計調書の出力に対応しています。
※設計調書の出力は、当製品と別に「調表出力ライブラリ Ver.2」をインストールする必要があります(本プログラムのみでは動作いたしません)。
| (公社)日本道路協会 | 道路橋示方書・同解説 Ⅰ共通編 平成24年3月 道路橋示方書・同解説 Ⅲコンクリート橋編 平成24年3月 道路橋示方書・同解説 Ⅳ下部構造編 平成24年3月 道路橋示方書・同解説 Ⅴ耐震設計編 平成24年3月 斜面上の深礎基礎設計施工便覧 平成24年4月 杭基礎設計便覧 平成19年1月 |
| 東・中・西日本高速道路(株) | 設計要領 第二集 橋梁建設編 平成24年7月 |
| (公社)日本道路協会 | 道路橋の耐震設計に関する資料 平成9年3月 道路橋の耐震設計に関する資料 平成10年1月 |
本体価格
価格は税込表示です
■本体価格
| 製品名 | 価格 |
|---|---|
| 深礎フレームの設計・3D配筋(部分係数法・H29道示対応) Ver.5 Advanced | ¥550,000(税抜¥500,000) |
| 深礎フレームの設計・3D配筋(部分係数法・H29道示対応) Ver.5 Standard | ¥440,000(税抜¥400,000) |
| 深礎フレームの設計・3D配筋(部分係数法・H29道示対応) Ver.5 Lite | ¥330,000(税抜¥300,000) |
| 深礎フレームの設計・3D配筋(旧基準) Advanced | ¥438,900(税抜¥399,000) |
| 深礎フレームの設計・3D配筋(旧基準) Standard | ¥361,900(税抜¥329,000) |
| 深礎フレームの設計・3D配筋(旧基準) Lite | ¥308,000(税抜¥280,000) |
■フローティングライセンス価格
本体価格の40%を追加いただくことで、誰でも、どこでも、どのPCでも製品の利用が可能となります。
| 製品名 | 価格 |
|---|---|
| 深礎フレームの設計・3D配筋(部分係数法・H29道示対応) Ver.5 Advanced | ¥220,000(税抜¥200,000) |
| 深礎フレームの設計・3D配筋(部分係数法・H29道示対応) Ver.5 Standard | ¥176,000(税抜¥160,000) |
| 深礎フレームの設計・3D配筋(部分係数法・H29道示対応) Ver.5 Lite | ¥132,000(税抜¥120,000) |
| 深礎フレームの設計・3D配筋(旧基準) Advanced | ¥175,560(税抜¥159,600) |
| 深礎フレームの設計・3D配筋(旧基準) Standard | ¥144,760(税抜¥131,600) |
| 深礎フレームの設計・3D配筋(旧基準) Lite | ¥123,200(税抜¥112,000) |
グレードアップ価格
価格は税込表示です
| プログラム名 | 対象製品 | 価格/種別 | 備考 | |
| 深礎フレームの設計・3D配筋 (部分係数法・H29道示対応) Advanced |
深礎フレームの設計・3D配筋 (部分係数法・H29道示対応) Standard |
¥132,000 (税抜¥120,000) |
グレードアップ | - |
| 深礎フレームの設計・3D配筋 (部分係数法・H29道示対応) Advanced |
深礎フレームの設計・3D配筋 (部分係数法・H29道示対応) Lite |
¥264,000 (税抜¥240,000) |
グレードアップ | - |
| 深礎フレームの設計・3D配筋 (部分係数法・H29道示対応) Standard |
深礎フレームの設計・3D配筋 (部分係数法・H29道示対応) Lite |
¥132,000 (税抜¥120,000) |
グレードアップ | - |
| 深礎フレームの設計・3D配筋 (旧基準) Advanced |
深礎フレームの設計・3D配筋 (旧基準) Standard |
¥92,400 (税抜¥84,000) |
グレードアップ | - |
| 深礎フレームの設計・3D配筋 (旧基準) Advanced |
深礎フレームの設計・3D配筋 (旧基準) Lite |
¥157,080 (税抜¥142,800) |
グレードアップ | - |
| 深礎フレームの設計・3D配筋 (旧基準) Standard |
深礎フレームの設計・3D配筋 (旧基準) Lite |
¥64,680 (税抜¥58,800) |
グレードアップ | - |
サブスクリプションサービス 契約価格
■サポート内容
・バージョンアップ無償提供 ・電話問合せテクニカルサポート
・問合せサポート(電子メール、FAX) ・ダウンロードサービス ・保守情報配信サービス
※ライセンス管理コスト削減、製品ご利用形態ニーズ多様化への対応を充実させることを目的として、従来の保守・サポート形態からより便利な、「サブスクリプションサービス」へ順次移行いたします(2016年4月1日~)。
価格は税込表示です
■サブスクリプション価格
| 対象製品 | 初年度 | 1年 |
|---|---|---|
| 深礎フレームの設計・3D配筋(部分係数法・H29道示対応) Ver.5 Advanced サブスクリプション | 無償 | ¥220,000 (税抜¥200,000) |
| 深礎フレームの設計・3D配筋(部分係数法・H29道示対応) Ver.5 Standard サブスクリプション | ¥176,000 (税抜¥160,000) |
|
| 深礎フレームの設計・3D配筋(部分係数法・H29道示対応) Ver.5 Lite サブスクリプション | ¥132,000 (税抜¥120,000) |
|
| 深礎フレームの設計・3D配筋(旧基準) Advanced サブスクリプション | ¥175,560 (税抜¥159,600) |
|
| 深礎フレームの設計・3D配筋(旧基準) Standard サブスクリプション | ¥144,760 (税抜¥131,600) |
|
| 深礎フレームの設計・3D配筋(旧基準) Lite サブスクリプション | ¥123,200 (税抜¥112,000) |
■サブスクリプションフローティング価格
| 対象製品 | 初年度 | 1年 |
|---|---|---|
| 深礎フレームの設計・3D配筋(部分係数法・H29道示対応) Ver.5 Advanced サブスクリプションフローティング | 無償 | ¥308,000 (税抜¥280,000) |
| 深礎フレームの設計・3D配筋(部分係数法・H29道示対応) Ver.5 Standard サブスクリプションフローティング | ¥246,400 (税抜¥224,000) |
|
| 深礎フレームの設計・3D配筋(部分係数法・H29道示対応) Ver.5 Lite サブスクリプションフローティング | ¥184,800 (税抜¥168,000) |
|
| 深礎フレームの設計・3D配筋(旧基準) Advanced サブスクリプションフローティング | ¥245,784 (税抜¥223,440) |
|
| 深礎フレームの設計・3D配筋(旧基準) Standard サブスクリプションフローティング | ¥202,664 (税抜¥184,240) |
|
| 深礎フレームの設計・3D配筋(旧基準) Lite サブスクリプションフローティング | ¥172,480 (税抜¥156,800) |
■サブスクリプション料率変更に関する価格体系改訂のご案内
2025年7月1日より、F8-AI™ UCサポートを実装した製品は、サブスクリプション価格を製品定価の50%(上表)に改訂いたします。
■深礎フレームの設計・3D配筋(部分係数法・H29道示対応) Ver.5ユーザ様対象のサブスクリプション更新価格について
初回更新に限り、深礎フレームの設計・3D配筋(部分係数法・H29道示対応) Ver.6へのエンハンスト(Ver.5とVer.6の本体価格の差額)および新サブスクリプション契約での更新となります。
【Advanced】
エンハンスト費用
:¥55,000(税抜¥50,000)
エンハンスト費用フローティングあり
:¥77,000(税抜¥70,000)
新サブスクリプション価格
:¥302,500(税抜¥275,000)
新サブスクリプションフローティング価格
:¥423,500(税抜¥385,000)
【Standard】
エンハンスト費用
:¥44,000(税抜¥40,000)
エンハンスト費用フローティングあり
:¥61,600(税抜¥56,000)
新サブスクリプション価格
:¥242,000(税抜¥220,000)
新サブスクリプションフローティング価格
:¥338,800(税抜¥308,000)
【Lite】
エンハンスト費用
:¥33,000(税抜¥30,000)
エンハンスト費用フローティングあり
:¥46,200(税抜¥42,000)
新サブスクリプション価格
:¥181,500(税抜¥165,000)
新サブスクリプションフローティング価格
:¥254,100(税抜¥231,000)
■レンタルライセンス:短期間での利用により、低廉な価格でのライセンス利用が可能
■レンタルフローティングライセンス:ライセンスの認証をWeb経由で受ければ、誰でも、どこでも、どのPCでも製品の利用が可能
■レンタルアクセス:既に購入済みの製品の利用ライセンス数を増やす事が可能です。事前契約により、レンタルライセンス期間(1ヵ月~3ヵ月)の単位で自動的にライセンスが付与されます。利用実績に応じて後日請求いたします。事前申込価格として、レンタルライセンス価格の15%引きとなります。ユーザ情報ページにてお申込みいただけます。
※サービス強化、利便性向上を図る目的で「レンタルライセンス/レンタルフローティングライセンス」を2007年9月3日より提供を開始しました。
※レンタルライセンス/レンタルフローティングライセンス開始後の期間変更は出来ません。期間延長の場合は再申込となります。
レンタルライセンス/レンタルフローティングライセンス
価格は税込表示です
■レンタルライセンス
| 対象製品 | 2ヶ月 | 3ヶ月 | 6ヶ月 |
|---|---|---|---|
| 深礎フレームの設計・3D配筋(部分係数法・H29道示対応) Ver.5 Advanced | ¥247,500 | ¥291,500 | ¥357,500 |
| 深礎フレームの設計・3D配筋(部分係数法・H29道示対応) Ver.5 Standard | ¥198,000 | ¥233,200 | ¥286,000 |
| 深礎フレームの設計・3D配筋(部分係数法・H29道示対応) Ver.5 Lite | ¥148,500 | ¥174,900 | ¥214,500 |
| 深礎フレームの設計・3D配筋(旧基準) Advanced | ¥197,505 | ¥232,617 | ¥285,285 |
| 深礎フレームの設計・3D配筋(旧基準) Standard | ¥162,855 | ¥191,807 | ¥235,235 |
| 深礎フレームの設計・3D配筋(旧基準) Lite | ¥138,600 | ¥163,240 | ¥200,200 |
■レンタルフローティングライセンス
| 対象製品 | 2ヶ月 | 3ヶ月 | 6ヶ月 |
|---|---|---|---|
| 深礎フレームの設計・3D配筋(部分係数法・H29道示対応) Ver.5 Advanced | ¥412,500 | ¥489,500 | ¥605,000 |
| 深礎フレームの設計・3D配筋(部分係数法・H29道示対応) Ver.5 Standard | ¥300,000 | ¥391,600 | ¥484,000 |
| 深礎フレームの設計・3D配筋(部分係数法・H29道示対応) Ver.5 Lite | ¥247,500 | ¥293,700 | ¥363,000 |
| 深礎フレームの設計・3D配筋(旧基準) Advanced | ¥329,175 | ¥390,621 | ¥482,790 |
| 深礎フレームの設計・3D配筋(旧基準) Standard | ¥271,425 | ¥322,091 | ¥398,090 |
| 深礎フレームの設計・3D配筋(旧基準) Lite | ¥231,000 | ¥274,120 | ¥338,800 |
| 製品名 | アカデミー価格 |
|---|---|
| 深礎フレームの設計・3D配筋(部分係数法・H29道示対応) Ver.5 Advanced | ¥440,000(税抜¥400,000) |
| 深礎フレームの設計・3D配筋(部分係数法・H29道示対応) Ver.5 Standard | ¥352,000(税抜¥320,000) |
| 深礎フレームの設計・3D配筋(部分係数法・H29道示対応) Ver.5 Lite | ¥264,000(税抜¥240,000) |
| 深礎フレームの設計・3D配筋(旧基準) Advanced | ¥351,120(税抜¥319,200) |
| 深礎フレームの設計・3D配筋(旧基準) Standard | ¥289,520(税抜¥263,200) |
| 深礎フレームの設計・3D配筋(旧基準) Lite | ¥246,400(税抜¥224,000) |
バージョンアップ開発履歴
■バージョンアップ、リビジョンアップ(無償保守)の主な内容を一覧にしています。
旧版改訂、リバイバル版リリース時などの場合にご参考ください。
| 深礎フレームの設計・3D配筋(部分係数法・H29道示対応) Ver.5 | ||
| バージョン | リリース日 | バージョンアップ内容 |
|---|---|---|
| 5.0.0 | 24/09/30 |
|
| 深礎フレームの設計 ・3D配筋(旧基準) | ||
| バージョン | リリース日 | バージョンアップ内容 |
|---|---|---|
| 1.00.00 | 16/10/26 |
|
動作環境
| OS | Windows 10 / 11 | |
|---|---|---|
| CPU | Intel Coreシリーズおよび完全互換のあるCPU | |
| 必要メモリ(OSも含む) | OSのシステム要件を満たし、問題なく動作する環境 | |
| 必要ディスク容量 | 約800MB以上(インストール時) ※計算実行時には、解析モデルの大きさ、出力データの種類によって 約600MB~数GB程度のハードディスク空き容量が必要です。 |
|
| ディスプレイ(画面解像度) | 1024×768以上 ※フォントサイズは[小さいフォント]のみをサポートしています。 |
|
| 入力データ 拡張子 |
部分係数法・H29道示対応版 | PFK <旧データ>F8O |
| 旧基準 | F8O | |
| ファイル出力 | F8出力編集ツール対応:TXT、HTM、 PPF、DOC、 DOCX、PDF、 JTD、JTDC 画像:3DS |
|
| 他製品との 連動 |
部分係数法・H29道示対応版 | <連動> 橋脚の設計・3D配筋(部分係数法・H29道示対応) 橋台の設計・3D配筋(部分係数法・H29道示対応) 箱式橋台の設計計算(部分係数法・H29道示対応) ラーメン式橋台の設計計算(部分係数法・H29 道示対応) <保存> UC-win/Road(3DS) ライナープレートの設計・3DCAD(FYW) |
| 旧基準 | <連動> 橋脚の設計・3D配筋 橋台の設計・3D配筋 箱式橋台の設計計算 ラーメン式橋台の設計計算 <保存> UC-win/Road(3DS) ライナープレートの設計・3DCAD(FYW) |
|
| 備考 | 調表出力対応(旧基準版のみ) | |
製品購入/お問い合わせ窓口
■FORUM8 オーダーページで購入
製品購入 - オーダーページ にて、バージョンアップ・新規製品・各種サービスの御見積作成・申込・決済ができます。
クレジット利用や、分割払いシステムでの購入も可能です。
ご質問は、バージョンアップセンタ(vc@forum8.co.jp)までお気軽にお問い合わせ下さい。
| ▼サンプルデータ1 ( 31P, 209KB ) 解析方向:面内 杭配置1列×2列の単列橋台基礎を 想定したサンプルデータ ![]() |
▼サンプルデータ2 ( 47P, 365KB ) 解析方向:面内 杭配置2列×2列の橋脚基礎を 想定したサンプルデータ ![]() |
▼サンプルデータ3 ( 47P, 359KB ) 解析方向:面内 杭配置1列×3列の橋脚基礎を 想定したサンプルデータ ![]() |
▼サンプルデータ4 ( 88P, 714KB ) フーチング2方向の計算 ![]() |
▼サンプルデータ5 ( 81P, 626KB ) フーチングの計算 ![]() |
▼サンプルデータ6 ( 39P, 391KB ) 解析方向:面内 柱状体深礎基礎(単杭)を想定した 「基礎ばねの算出」サンプルデータ ![]() |
▼サンプルデータ7 ( 58P, 632KB ) 解析方向:面内 組杭深礎基礎を想定した 「基礎ばねの算出」サンプルデータ ![]() |
▼サンプルデータ8 ( 43P, 299KB ) 解析方向:面内 杭配置2列×1列の単列橋台基礎 を想定したサンプルデータ ![]() |
▼サンプルデータ9 ( 63P, 531KB ) 解析方向:面外 杭配置1列×2列の単列橋台基礎 を想定したサンプルデータ ![]() |
▼サンプルデータ10 ( 31P, 214KB ) 解析方向:面内 折れ線地層線を利用した入力例(その1)で、 表層、地盤内とも、折れ線地層線が 存在する例 ![]() |
▼サンプルデータ11 ( 31P, 212KB ) 解析方向:面内 折れ線地層線を利用した入力例(その2)で、 地盤内の地層線が表層に達した後、 表層に沿った地層線を定義した例 ![]() |
▼サンプルデータ12 ( 31P, 215KB ) 解析方向:面内 折れ線地層線を利用した入力例(その3)で、 基礎天端の平坦地から地盤内の地層線が 存在する例 ![]() |
▼サンプルデータ13 ( 36P, 256KB ) 解析方向:面内 設計地盤面に折れ点がある サンプルデータ ![]() |
▼サンプルデータ14 ( 52P, 405KB ) 解析方向:面内 ラーメン橋脚深礎基礎、杭基礎便覧(S61) のp235より荷重条件を一部変更、 橋軸直角方向の例 ![]() |
▼サンプルデータ15 ( 50P, 393KB ) 解析方向:面外 Rahmenデータを基に、面外方向の 荷重を作用させたサンプルデータ ![]() |
▼サンプルデータ16 ( 62P, 527KB ) 解析方向:面内 組杭深礎基礎、「道路橋の耐震設計に 関する資料(平成10年1月)」のp.8-6 橋軸直角方向のサンプルデータ ![]() |
▼サンプルデータ17 ( 48P, 376KB ) 解析方向:面外 Reidai-cデータを基に、面外方向の荷重を 作用させたサンプルデータ ![]() |
▼サンプルデータ18 ( 48P, 381KB ) 解析方向:面内 組杭深礎基礎、「道路橋の耐震設計に 関する資料(平成10年1月)」のp.8-6 橋軸方向のサンプルデータ ![]() |
▼サンプルデータ19 ( 48P, 383KB ) 解析方向:面外 Reidai-jデータを基に、面外方向の 荷重を作用させたサンプルデータ ![]() |
▼サンプルデータ20 ( 63P, 536KB ) 一括地層入力サンプルデータ ![]() |
▼サンプルデータ21 ( 50P, 375KB ) 「深礎基礎設計施工便覧(平成24年4月)」 のp.238柱状体深礎基礎(橋脚)の サンプルデータ ![]() |
▼サンプルデータ22 ( 125P, 971KB ) 「深礎基礎設計施工便覧(平成24年4月)」 のp.251組杭深礎基礎(橋台)の サンプルデータ ![]() |
▼サンプルデータ23 ( 204P, 1,747KB ) 「深礎基礎設計施工便覧(平成24年4月)」 のp.268組杭深礎基礎(橋脚)の谷側の サンプルデータ ![]() |
▼サンプルデータ24 ( 236P, 1,995KB ) 「深礎基礎設計施工便覧(平成24年4月)」 のp.268組杭深礎基礎(橋脚)の山側の サンプルデータ ![]() |
斜面上深礎基礎の設計計算プログラムです。下記機能に対応しています。
杭体部分
フレーム部分
大口径深礎杭(柱状体基礎 1本杭)の場合に、小判断面を選択することができるようにしました。設計条件によっては円形断面で杭径を大きくするより小判断面とした方が合理的な設計となる場合があります。小判形状の長手方向は、橋軸方向または橋軸直角方向のどちらにでも指定できます。
平成24年度道路橋示方書Ⅳ、NEXCO設計要領第二集(H24.7)及び斜面上の深礎基礎設計施工便覧に記載されております底版の照査方法に対応いたしました。本機能は図1のような骨組及び荷重を自動生成し、解析、断面力算定及び応力度照査まで行う機能です。
UC-1「橋脚の設計・3D配筋」・「橋台の設計・3D配筋」・「箱式橋台の設計計算」・「ラーメン式橋台の設計計算」・「ライナープレートの設計・3DCAD」との連動が可能です。
| (公社)日本道路協会 | 道路橋示方書・同解説 Ⅰ共通編 平成29年11月 道路橋示方書・同解説 Ⅲコンクリート橋・コンクリート部材編 平成29年11月 道路橋示方書・同解説 Ⅳ下部構造編 平成29年11月 道路橋示方書・同解説 Ⅴ耐震設計編 平成29年11月 斜面上の深礎基礎設計施工便覧 令和3年10月 杭基礎設計便覧 令和2年9月 |
| 東・中・西日本高速道路(株) | CADによる図面作成要領(案)平成29年9月 |
| 国土交通省 | 3次元モデル表記標準(案)令和2年3月 CIM導入ガイドライン(案)令和2年3月 3次元モデル成果物作成要領(案)令和3年3月 CAD製図基準 平成29年 3月 |
| 土木学会 | 土木製図基準 平成15年5月 |
| 東・中・西日本高速道路(株) | 設計要領 第二集 橋梁建設編 平成29年7月 |
| (公社)日本道路協会 | 平成29年道路橋示方書に基づく道路橋の設計計算例 平成30年6月 道路橋の耐震設計に関する資料 平成9年3月 道路橋の耐震設計に関する資料 平成10年1月 杭基礎設計便覧 平成19年1月 |

LOADING