逆T式橋台、重力式橋台の設計計算・図面作成プログラム(中国基準対応)、3D配筋対応
初版リリース:2017.09.29/最新Ver.リリース:2020.10.01
橋台の設計(中国基準) Ver.2は、日本で発売中の「橋台の設計・3D配筋」を基に中国基準に準拠した設計計算を行うことを主眼として開発した製品です。日本版の機能を継承しているため、安定計算、部材の設計から一般図、配筋図のCAD作図も可能となっています。
適用範囲
主な適用範囲は次のとおりです。
| 適用基準 | 道路橋梁通用基準(JTG D60-2004) |
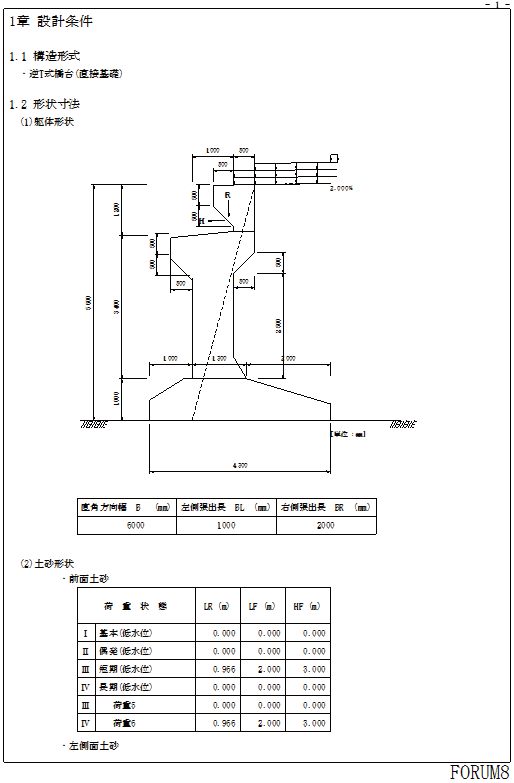
| 躯体形状 | 逆T式、重力式(一形、埋め式を含む)、任意形状 |
| 基礎形式 | 直接基礎、杭基礎(場所打ち杭、PHC杭) |
| 断面照査 | 杭本体、竪壁、底版前趾、底版後趾 |
| 荷重ケース | 組合 I ~IVの合計20ケース |
橋台の設計(中国基準)は、中国基準である道路橋梁通用基準(JTG D60-2004)に準拠しています。
橋台形式は、中国で一般的な逆T式橋台、一形(重力式橋台)、U形(重力式橋台)および埋め式(重力式橋台)に対応し中国での需要に応えています。
機能及び特長
中国基準では、限界状態照査と使用状態照査の2種類の照査を行います。限界状態照査では組合ⅠとⅡに対して終局耐力(曲げモーメント、軸力、せん断力)を照査します。使用状態照査では組合Ⅲについてひび割れ照査を行います。
また、荷重の取り扱いも日本基準とは大きく異なり、自重、土圧力、自動車荷重などの荷重種類ごとに異なる補正係数(割増係数)を乗じます。本製品では荷重補正係数を一括して設定することができるようにしています。任意荷重(ユーザー定義荷重)も同一画面で設定できるため、煩雑な荷重補正係数を一元管理できます。
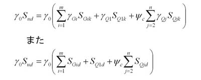
中国基準の計算に用いる荷重には大きく分けて、永久荷重、変動荷重および偶発荷重の2つになります。 永久荷重としては、自重、上部工反力、地表面荷重、土圧力、踏掛版荷重、任意荷重など、変動荷重としては、自動車荷重、衝撃荷重、自動車荷重からの土圧力、制動荷重、群集荷重、温度変化影響、支承摩擦力などがあります。偶発荷重としては地震力があります。 中国ではこれらの荷重に、荷重タイプごとの係数を乗じたものを組み合わせたものを、設計作用力として用います。荷重組合せの算定式は次のようなものとなります。



基礎形式は直接基礎と杭基礎に対応しています。中国では小規模橋台が多く直接基礎が主流でしたが、近年地盤の悪い場所での施工や橋台の大規模化に伴い杭基礎が増えています。本製品では中国市場で主に用いられる場所打ち杭とPHC杭に対応し、支持力の自動計算も行えます。
中国基準での杭基礎の設計では地盤バネは地表面からの深度に比例して大きくなり、三角形あるいは台形分布となります。日本基準では深さによらず同一層では一定ですので、考え方が大きく異なるところです。
印刷出力に関しては、設計条件や計算過程の詳細を出力する日本語版橋台の結果出力を活かし、中国基準に則した出力書式としました。
中国での設計現場の現状では、1日で設計と図面作成を行うことが求められています。本製品は、CAD機能を持っておりますので、本製品だけで設計書作成から図面作成までシームレスに行うことができますので、中国市場でのニーズに応えることができると考えています。
安定計算、部材の設計から一般図、配筋図のCAD作図も可能です。
※ 2021年4月からの消費税総額表示義務化に伴い、価格表記を「税抜」から「税込」へ移行いたします。
本体価格
価格は税込表示です
■本体価格
| 製品名 | 価格 |
|---|---|
| 橋台の設計・3D配筋(中国基準/日本語版) Ver.2 | ¥539,000(税抜 ¥490,000) |
| 橋台の設計・3D配筋(中国基準/中国語版) Ver.2 | ¥279,400(税抜 ¥254,000) |
■フローティングライセンス価格
本体価格の40%を追加いただくことで、誰でも、どこでも、どのPCでも製品の利用が可能となります。
| 製品名 | 価格 |
|---|---|
| 橋台の設計・3D配筋(中国基準/日本語版) Ver.2 | ¥215,600(税抜 ¥196,000) |
| 橋台の設計・3D配筋(中国基準/中国語版) Ver.2 | ¥111,760(税抜 ¥101,600) |
サブスクリプションサービス 契約価格
■サポート内容
・バージョンアップ無償提供 ・電話問合せテクニカルサポート
・問合せサポート(電子メール、FAX) ・ダウンロードサービス ・保守情報配信サービス
※ライセンス管理コスト削減、製品ご利用形態ニーズ多様化への対応を充実させることを目的として、従来の保守・サポート形態からより便利な、「サブスクリプションサービス」へ順次移行いたします(2016年4月1日~)。
価格は税込表示です
| 対象製品 | 初年度 | 1年 |
|---|---|---|
| サブスクリプション(橋台の設計・3D配筋(中国基準/日本語版) Ver.2) | 無償 | ¥215,600(税抜 ¥196,000) |
| サブスクリプション(橋台の設計・3D配筋(中国基準/中国語版) Ver.2) | ¥111,760(税抜 ¥101,600) | |
| サブスクリプション(橋台の設計・3D配筋(中国基準/日本語版) Ver.2 フローティング) | ¥301,840(税抜 ¥274,400) | |
| サブスクリプション(橋台の設計・3D配筋(中国基準/中国語版) Ver.2 フローティング) | ¥156,464(税抜 ¥142,240) |
■レンタルライセンス:短期間での利用により、低廉な価格でのライセンス利用が可能
■レンタルフローティングライセンス:ライセンスの認証をWeb経由で受ければ、誰でも、どこでも、どのPCでも製品の利用が可能
■レンタルアクセス:既に購入済みの製品の利用ライセンス数を増やす事が可能です。事前契約により、レンタルライセンス期間(1ヵ月~3ヵ月)の単位で自動的にライセンスが付与されます。利用実績に応じて後日請求いたします。事前申込価格として、レンタルライセンス価格の15%引きとなります。ユーザ情報ページにてお申込みいただけます。
※サービス強化、利便性向上を図る目的で「レンタルライセンス/レンタルフローティングライセンス」を2007年9月3日より提供を開始しました。
※レンタルライセンス/レンタルフローティングライセンス開始後の期間変更は出来ません。期間延長の場合は再申込となります。
レンタルライセンス/レンタルフローティングライセンス
価格は税込表示です
■レンタルライセンス
| 対象製品 | 2ヶ月 | 3ヶ月 | 6ヶ月 |
|---|---|---|---|
| 橋台の設計・3D配筋(中国基準/日本語版) Ver.2 | ¥242,550 | ¥285,670 | ¥350,350 |
| 橋台の設計・3D配筋(中国基準/中国語版) Ver.2 | ¥125,730 | ¥148,082 | ¥181,610 |
■レンタルフローティングライセンス
| 対象製品 | 2ヶ月 | 3ヶ月 | 6ヶ月 |
|---|---|---|---|
| 橋台の設計・3D配筋(中国基準/日本語版) Ver.2 | ¥404,250 | ¥479,710 | ¥592,900 |
| 橋台の設計・3D配筋(中国基準/中国語版) Ver.2 | ¥209,550 | ¥248,666 | ¥307,340 |
※オプション単体でのレンタルはできません。
| 製品名 | アカデミー価格 |
|---|---|
| 橋台の設計・3D配筋(中国基準/日本語版) Ver.2 | ¥431,200(税抜 ¥392,000) |
| 橋台の設計・3D配筋(中国基準/中国語版) Ver.2 | ¥223,520(税抜 ¥203,200) |
バージョンアップ開発履歴
■バージョンアップ、リビジョンアップ(無償保守)の主な内容を一覧にしています。
旧版改訂、リバイバル版リリース時などの場合にご参考ください。
製品購入/お問い合わせ窓口
■FORUM8 オーダーページで購入
製品購入 - オーダーページ にて、バージョンアップ・新規製品・各種サービスの御見積作成・申込・決済ができます。
クレジット利用や、分割払いシステムでの購入も可能です。
ご質問は、バージョンアップセンタ(vc@forum8.co.jp)までお気軽にお問い合わせ下さい。
| ■ お問い合わせ | |
| 全国のFORUM8営業所がサポートしています。 >> 営業窓口 購入またはホームページ全般に関するご質問は、forum8@forum8.co.jpまでお気軽にお問い合わせ下さい。 |
|

LOADING