| New Products |
|
|
●最新版製品価格
|
●リリース 2014年12月25日
UC-1 道路土工 |
|
|
「防護柵の設計計算 Ver.2」では、たわみ性防護柵(土中埋込み用)の計算に対応しました。以下にその機能の概要をご案内します。
 |
| ▲図1 メイン画面 |
|
防護柵の種類として、標準型と耐雪型を用意しており、さらにその用途として路側用と分離帯,歩車道境界用が選択可能となっています。尚、各防護柵の仕様につきましては、車両用防護柵標準仕様を初期値として設定しておりますが、自由に変更することも可能です。(図2)
 |
| ▲図2 防護柵の種類 |
|
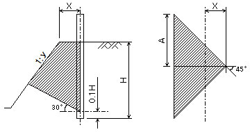
たわみ性防護柵では支柱1本が関与する質量が標準仕様以上となることを照査します(図3)。これは、支柱の支持力には背面土質量が大きく関係しているためです。
 |
| ▲図3 背面土量の範囲 |
算出した質量が標準仕様を満たさなかった場合は対応策を講じる必要があります。プログラムでは、根巻きコンクリート基礎,連続基礎,支柱間隔短縮の3つの対応策を用意しております。どの対応策を採用するかは自由に選択することができます。
根巻きコンクリート基礎による対応策は、不足している質量をコンクリート根巻きにより補います(図4)。プログラムでは、標準仕様の背面土質量以上の質量を確保できる最小のコンクリート形状を自動決定することができます。
連続基礎による対応策は、根巻きコンクリートによる対応では施工性に問題がある場合に採用するものです。矩形のコンクリート基礎による安定計算を行います。安定計算は転倒,滑動,地盤応力の照査に対応しています。また、安定計算に必要な衝突荷重については、防護柵種類から自動決定することができ、さらに輪荷重にも対応しております。
支柱間隔短縮による対応策は、支柱間隔を変更するだけのシンプルなものですが、標準仕様と同等以上の背面土質量を確保できる最小の支柱間隔を自動決定することができます。
 |
| ▲図4 根巻きコンクリート基礎 |
|
以上、新製品の概略を紹介させていただきました。
今後も皆様からのご要望を取り入れ、改良を加えていきますので、どうぞご期待ください。 |
| (Up&Coming '15 新年号掲載) |
 |
|







>> 製品総合カタログ

>> プレミアム会員サービス
>> ファイナンシャルサポート
|