|
はじめに、「橋梁点検支援システム(国総研版)」を用いて点検結果を記録するデータ(*.F6B)を作成します。
1. 橋梁の基本情報を設定
橋梁名や点検年月日などの基本情報、形状データを設定します。
2. 図面データを生成し、点検結果を記録
図面は、1で設定された形状データをもとに自動生成されます。図面への損傷情報の記録は、お絵かき感覚で簡単に行うことが可能です。
▲図1 点検結果の記録
3. 損傷情報を記録
各部材の損傷情報は、図面から読み取ってデータ化できます。
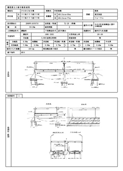
4. 点検調書を生成
この点検調書は、国総研の「道路橋に関する基礎データ収集要領(案)(平成19年5月)」に基づいて作成されます。 (図2)

▲図2 点検調書の出力例
|