
|
|
|
●バージョンアップ内容
- 「橋台の設計 Ver.9」では、主に以下のような対応を行います。
- 段差フーチングの拡張
- 地震時動水圧
- 橋座設計の斜角対応
- 逆T式橋台のハンチ形状の考慮
- 任意形状の拡張
さらには、仮想背面位置が土とコンクリートの場合の後趾設計や、照査方向による上部工水平反力の符号の自動設定、落橋防止構造の押し抜きせん断抵抗面積の有効高からの自動設定などといった機能拡張や操作改善を行います。
●段差フーチングの拡張
-
段差フーチングについては、Ver.3.04.00で対応して以来、バージョンアップを重ねる毎に底版設計時の照査範囲の指定や地盤反力の簡易補正など、多くのご要望に対応してきました。Ver.9では、裏込め土砂にEPSやFCB等の軽量盛土を使った場合のレベル2地震時照査に対応します。Ver.7で対応した直接基礎、杭基礎の逆T式橋台と同様に軽量盛土を使った照査では、橋脚と同じような振動特性を持つものとして照査する必要があります。 本製品において、「初期入力」画面の竪壁保耐にチェックがある場合に、橋脚と同様の設計を行います。今回、適用範囲を広げ段差フーチング基礎を選択した場合でも軽量盛土からの側圧が考慮されるだけでなく、橋脚として扱った設計が可能になります。 |
|
 |
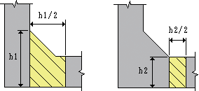
また、段差フーチング照査時の機能拡張として、以下の3項目に対応します。
- 直角方向段差フーチング時の竪壁照査範囲の指定
- 直角方向段差フーチング時の照査範囲毎の配筋範囲の指定
- 橋軸方向段差フーチング時の底版下端の水圧の選択
 |
|
 |
| ▲橋軸方向段差フーチングの水圧 |
|
▲直角方向段差フーチングの照査範囲 |
Ver5.01.00では、直角方向段差フーチングの場合の底版照査時の照査範囲の指定に対応しましたが、竪壁においても山側と谷側で作用荷重の分担率が異なるため、同じ配筋での照査とならないことがあります。
Ver.9では、底版及び竪壁の照査範囲の指定だけでなく、それぞれの照査範囲内の配筋情報を指定できるように拡張した設計が可能になります。また、橋軸方向段差フーチング時の背面水圧について底版下面段差部分の水圧を見込んでいますが、支持地盤が岩盤の場合は、底版下面段差部分の水圧を見込む必要がないため、無視できるようになります。
●地震時動水圧
-
河川にかかる橋台では、地震時に水に接する前面側に対して、水による複雑な影響があるため、それを考慮した動水圧による照査が必要になる場合があります。橋台のように片面のみに水が存在するような壁状構造物に対しては、ダムに関するWestergaard式を用いて動水圧を算出します。

ここで水深h(m)の動水圧の合力Pは、
 |
|
 |
となります。動水圧については、地震動の方向により静水圧の作用方向か貯水池方向の作用方向になりますが、安全側を考え、地震動の方向が前面から背面の静水圧の作用方向の場合は、静水圧と動水圧を考慮し、背面から前面の貯水池方向には、静水圧と動水圧を無視します。本製品は、どちらの場合でも照査ができるように「許容応力度法荷重ケース」画面で、前面水圧と地震時動水圧を組み合わせることができます。
 |
| ▲「許容応力度法荷重ケース」の入力画面 |
●橋座設計時の斜角対応
- 付属設計に用意されている「橋座の設計」について、これまでは支承が壁前面と直角となる条件のみ照査できましたが、斜橋による支承の傾きを考慮した設計ができるようになります。対象となるアンカーボルトまでの距離を入力すると、斜角を考慮したせん断抵抗面積を自動的に算出して設計が行えるようになります。また、斜角を考慮する場合としない場合とを混在させることができます。
●逆T式橋台のハンチ形状の考慮
- これまでは、逆T式橋台の後趾側のハンチを竪壁の延長として扱ってきましたが、Ver.9では新しく次の項目に対応します。
・底版照査位置の初期化
底版照査位置において、ハンチの先端高の1/2の位置を照査位置として初期設定していましたが、ハンチ付け根位置の断面高の1/2とハンチ先端位置の断面高の1/2を比較して、短い方を照査位置とします。
・断面照査時のハンチ範囲の扱い
ハンチ範囲については、「道路橋示方書IV P.195」に記載されているように、応力度を照査するときの断面高の扱いを選択します。竪壁設計時及び後趾設計時において、ハンチ範囲をハンチ高の1:3だけでなく、「ハンチ無視」「すべて考慮(全高)」からも選択できます。
●任意形状の拡張
- 任意形状は、「初期入力」画面で任意形状を選択すれば、マウス編集により逆T式や重力式以外の複雑な形状を簡単に入力できますが、形状によってはブロック割を行う際に正しく分割できないものもありました。特に、前趾端や後趾端より外側に躯体形状がある場合などは、これまで正しいブロックに分割できませんでした。今回の改訂により、ブロック分割の機能が強化され、より多くの形状に適用できるようになります。
 |
|
 |
| ▲任意形状の入力画面 |
|
▲ブロック分割 |
●落橋防止構造の拡張
- 落橋防止構造の設計では、押し抜きせん断抵抗面積で「直接指定」または「(胸壁厚)−(前面鉄筋かぶり)位置からの自動算出」が用意されていました。今回は、これに有効高からの自動算出機能を追加します。受け台を含む有効高から算出したい場合、これまでは別途算出の押し抜きせん断抵抗面積を直接指定する必要がありましたが、これにより算出過程も表示できるようになります。また、支圧板の孔径Dや緩衝材の直径Do、コンクリート面直径D′はグループで共通となっていましたが、個々に指定できるようになるのでファイルを分けずに一括して検討できるようになります。
●仮想背面位置が壁位置での背面土砂の扱いと後趾設計
- 仮想背面位置が壁位置(土とコンクリート)の場合は、一般的に仮想背面より後方の荷重は考慮しないため、安定照査時の背面土砂の重量を考慮しない、後趾設計を行わないという設計になっていました。そのため、安定照査時に背面土砂の重量を考慮したい場合、別途任意荷重等で指定する必要がありましたが、今回多くのお客様からのご要望により、仮想背面位置が壁位置の場合でも安定照査時に背面土砂による重量を考慮できるように拡張いたします。
また、後趾設計でも、背面土圧を無視した設計や背面土圧を仮想背面が後趾端(土と土)の時と同様に考慮した設計が可能になります。
●上部工水平反力の拡張
- レベル1地震時の設計で、地震動の方向として橋台背面から前面および前面から背面を選択できるようになりましたが、上部工水平反力については、背面から前面を正の方向として入力された値を用いて、そのまま設計するようになっていました。この場合、「上部工反力・地表面荷重」画面で上部工水平反力を逆方向とした、前面から背面方向のケースを別途作成する必要がありましたが、作用方向に応じた上部工水平反力を計算時に自動設定できるように処理を拡張し、入力の負担を軽減します。
●図面の機能拡張
- Ver.8.03.00にて3D配筋シミュレーションを対応しました。配筋の3D表示により鉄筋の全体の位置を視覚的に確認できるようになりました。Ver.9以降においても、通常の図面だけでなく、最先端の3D表示技術を用いた3D配筋シミュレーションについてさまざまな機能拡張を予定しています。
今後もお客様のご意見・ご要望を多く取り入れ、広く使いやすいプログラムにしていきますので、「橋台の設計」にご期待ください。
|
|
■橋台の設計 Ver.9 リリース予定日:2010年9月 |
| (Up&Coming '10 秋の号掲載) |
 |
|







>> 製品総合カタログ

>> プレミアム会員サービス
>> ファイナンシャルサポート
|