Civil Engineer's Forum-FORUM8
このページをスタートページに設定する QR

Facebook - FORUM8

Twitter - FORUM8

instagram - FORUM8

YouTube - FORUM8

 サイトマップ | ご利用条件 | お問い合わせ | 英語翻訳サイト | Japanese | English | Korean | CHS/CHT | Vietnam | Francais
新製品紹介

UC-1 for SaaS FRAME(面内)Ver.1.00 ソフトウェアをネットワーク経由のクラウドサービスとして提供

●はじめに
  • 本製品は、当社の任意形平面骨組解析ソフト「FRAME(面内)」をベースとしてWebサーバアプリケーション化したものです。これにより、バージョン管理の一元化と、従量制ライセンス形態による短期利用での低価格化が可能となりました。


●クラウド化による利点

  • 製品バージョンの一元管理
    当社サーバ上に設置された計算プログラムにアクセスすることで、ユーザは常に最新のプログラムを利用できます。また、入力インタフェースについても最新バージョン配布時に自動更新されるため、ユーザ側でプログラムのバージョン管理にかける手間や時間を短縮することができます。

    当社サーバによるライセンス管理
    本製品の起動および同時使用ライセンス数の管理は、すべて「UC-1 for SaaS Groupware」(図1)上で管理されます(※ 1)。従来は、ドングル(USBキー)用のハードウェアドライバやネットワーク認証(NetPRO)用サーバをユーザ側で導入する必要がありましたが、UC-1 for SaaSのサービスではこれらが一切不要となります。

  • ▲図1 UC-1 for SaaS Groupware(起動メニュー)

  • Groupwareによるデータ共有
    本製品で扱う各種データファイルは、「UC-1 for SaaS Groupware」上のユーザストレージ領域上での直接の保存/読込に対応しているため、インターネットが利用できる環境さえあれば外出先からUC-1 forSaaS FRAME(面内)本体およびデータを利用することが可能です。

●従来製品同様の入力支援機能をサポート
  • 計算条件の入力/編集はWebブラウザ(※ 2)を利用し、ベースとなるFRAME(面内)とほぼ同様の入力インタフェースを継承しています(図2)。そのため、標準的なWindowsアプリケーションと同様の感覚で操作が可能です。また、スケルトンジェネレート機能も継承されているため、複雑な構造骨組みの格点・部材番号なども簡単に自動生成できます。

▲図2 UC-1 for SaaS FRAME(面内)メイン画面


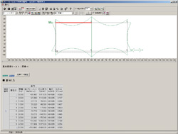
●印刷データのODF(OpenDocumentFormat)出力に対応
  •  UC-1 for SaaS FRAME(面内)では入力条件、計算結果(図3)の出力において、新たにOpenOffice.org Writer の標準文書フォーマットであるODF(OpenDocumentFormat)形式での出力に対応しました。これにより、従来製品でもMicrosoft Word形式でサポートされていた印刷データの編集を、無償で利用可能なOpenOffice.org Writerで行えるようになりました(※ 3)。

    owsアプリケーションと同様の感覚で操作が可能です。また、スケルトンジェネレート機能も継承されているため、複雑な構造骨組みの格点・部材番号なども簡単に自動生成できます。
   
▲図3 計算結果ウインドウ   ▲図4 ODF形式での出力例 
機能 UC-1 FRAME(面内)  UC-1 for SaaS FRAME(面内)
1 データファイルのプロジェクト数 上限なし  上限なし
 1 データファイルのモデル数  上限なし  上限なし
対応
データ
形式  
 FRAMEデータ
(Ver.2.02〜)
 ○  ○
 FRAMEデータ
(〜Ver.2.01)
 ○  ○
 単位系  SI/従来単位  SI/従来単位
 スケルトンジェネレート機能  ○  ○
 図化プログラム出力  ○  ○
 「RC断面計算」連動ファイル出力  ○  ○
▲図5 従来製品との機能比較 


※ 1 UC-1 for SaaS FRAME(面内)の利用には「UC-1 for SaaS Groupware」基本ライセンスの契約が別途必要となります。
※ 2 Ver.1.00ではMicrosoft Internet Explorer(6〜8)のみの対応となります。
※ 3 UC-1 for SaaS FRAME(面内)でこれらのデータ形式を出力する際にはOpenOffice.org (3.1以降)が別途必要となります。
※ F8-PPF形式での計算書出力にはF8出力編集ツールが別途必要となります。
※ UC-1 for SaaS FRAME(面内)での印刷プレビューは、各種ファイルフォーマットに対応したビューワをご用意いただく必要があります。
 F8-PPF形式での印刷プレビューにはF8出力編集ツールが必要となります。


●「グループウェア機能」 基本ライセンスに含まれる管理、ネットワークストレージサービス(最大1GB)
  文書管理/予定表/電子会議室/回覧板/伝言板/メール/施設予約/運用管理
  近日リリース:会計機能、ワークフロー、勘定奉行(R)へのエクスポート機能。


UC-1 for SaaS FRAME-RC 断面 体験セミナー

 ●日時 : 2011年 1月 14日(金)、4月 8日(金) 13:30 〜 16:30   ●参加費 : 無料
 ●本会場 : フォーラムエイト東京本社 GTタワーセミナールーム TV会議システムにて 東京・大阪・名古屋・福岡にて同時開催

■UC-1 for SaaS FRAME(面内)Ver.1.00 リリース予定日:2010年11月
(Up&Coming '10 晩秋の号掲載)
戻る
Up&Coming

FORUM8


お問合せ窓口




[ ユーザー紹介 ]
岐阜県恵那市
北方工業大学 都市道路交通知能制御技術北京市重点実験室 交通行動・安全研究室
安部 尚樹 氏
[ イベントレポート ]
Smart City Expo World Congress 2025
デザインフェスティバル2025レポート






>> 製品総合カタログ


>> プレミアム会員サービス
>> ファイナンシャルサポート

最近リリースした製品
DesignBuilder Ver.2025.1
防潮堤・護岸の設計計算 Ver.4
マンホールの設計・3D配筋 Ver.12
橋梁点検支援システム Ver.4
Shade3D SDK Ver.4
ファイル転送サービス Ver.3
下水道管の耐震計算 Ver.4
BOXカルバートの設計・3D配筋(下水道耐震) Ver.15
FEMLEEG® Ver.15
橋台の設計・3D 配筋(部分係数法・H29道示対応) Ver.9
柔構造樋門の設計・3D配筋 Ver.18

キャンペーン実施中
新製品特別価格キャンペーン
松任谷由実 THE WORMHOLE TOUR 2025-26ペアご招待キャンペーン
ドローンスクール割引キャンペーン
Shade3D・F8VPS 20%OFFキャンペーン

セミナー・イベントカレンダー
開催間近のセミナー
1/5  ジュニア・プログラミング
1/6  ジュニア・ソフトウェア
1/8  基礎の設計・3D配筋
  (部分係数法・H29道示
  対応)
1/14  LibreOffice体験

ソフトウェア/支援サービス
VRソフト(バーチャルリアリティ)
《UC-winシリーズ》
・道路・シミュレータ
・ドライブ・シミュレータ
・マイクロ・シミュレーション
・避難解析・シミュレーション
>>その他VRソフト
FEM解析ソフト
・3次元プレート動的非線形解析
・2次元動的非線形解析
・総合有限要素法解析システム
>>その他FEM解析ソフト
土木・建築・設計ソフト
《UC-1シリーズ》
・構造解析/断面
・橋梁上部工
・橋梁下部工
・基礎工
・仮設工
・道路土工
・港湾
・水工
・地盤解析
・CAD/CIM、建設会計
・維持管理・地震リスク
・建築
・船舶/避難
>>その他土木・建築・設計ソフト
クラウド
《スパコンクラウド®》
・スパコンクラウドサービス
《VR-Cloud®》
・リアルタイムVRシステム
解析支援サービス/サポート
・UC-win/Roadサポートシステム
・設計成果チェック支援サービス
・Engineer's Studio®解析支援
・地盤解析支援サービス
・EXODUS/SMARTFIRE解析支援
・xpswmm解析支援サービス
・建物エネルギーシミュレーション
・3Dレーザスキャン・モデリング
・3D模型サービス
・3D報告書・図面サービス
>>その他支援サービス
各種ソリューション
・耐震診断/解析
・鋼橋設計
・橋梁新工法
・建築設計
・自治体
・医療系VRシステム
・パーキングソリューション
・ECOソリューション
>>その他ソリューション