| New Products |
|
|
●最新版製品価格 |
●リリース 2011年7月
土木専用汎用3次元CAD |
|
|
|
現在、鉄筋コンクリート構造物の設計から施工段階において取り扱われている配筋図面は2次元が主流のため、主鉄筋・配力筋・組立筋などの配筋関係を確認するのが困難な場合があります。そこで、弊社では、構造物中の鉄筋を実際の鉄筋径で3次元表示することで、詳しい配筋状態を確認できる「3次元配筋ビューワ」(3次元配筋生成およびその表示機能)を開発し、UC-1設計シリーズのCAD統合版製品への導入を進めております。
今回、この3次元配筋ビューワの機能を拡張し、配筋状態を3次元で表示するだけでなく、躯体や鉄筋の新規作成、鉄筋どうしの干渉チェックなどを可能とする3次元配筋CADをリリースいたしますので、ここに紹介させていただきます。
|
躯体の作成には、面を押し出して立体形状を作成するスイープと、2つの面を直線で結ぶことで立体化するロフトの二通りの方法に対応予定で、入力イメージは以下の通りです。
スイープ
- 基準となる面の寸法を入力
- 押出し量と押出し方向を指定
- 押出し先の面の寸法を入力
- 生成された面に対してスイープを行う場合は面を選択して(2)〜(3)を繰り返す
- 躯体全体に対して斜角や勾配を設定
ロフト
- 面Aの各頂点座標を入力
- 面Bの各頂点座標を入力
- 面Aと面Bの対応する頂点間で辺が生成
 |
 |
 |
 |
 |
 |
 |
| スイープ:矩形面寸法を入力 |
|
押出し量の指定 |
|
斜角・勾配を設定 |
|
ロフト |
|
鉄筋の種類(主鉄筋、配力筋、組立筋など)、や鉄筋径など選択し、配筋範囲を指定します。鉄筋形状は、配筋方向と垂直の断面図上で入力します。
配筋範囲の指定
- 配筋させたい面とかぶりを入力
- 配筋方向の始端となる面とかぶりを入力
- 配筋方向の終端となる面とかぶりを入力
鉄筋形状
- 配筋方向と垂直な断面を生成
- 躯体の面に沿って鉄筋の折れ点を設定
配筋ピッチの指定
配筋には基準ピッチで配筋範囲に自動配筋する方法と、配筋ピッチとピッチ数を詳細に指定する方法をサポートします。
 |
 |
 |
 |
 |
 |
 |
| 配筋メニュー |
|
配筋範囲の指定 |
|
配筋ピッチを指定 |
|
配筋状態 |
|
他の鉄筋と衝突している、または所定の間隔を満たしていない鉄筋を検出してリストに一覧表示します。また、施行時に衝突を回避するために鉄筋をずらすスペースがあるかどうかのシミュレーションも可能です。
鉄筋間隔計算
指定した鉄筋どうしの間隔を計算し、所定の間隔を満たさない鉄筋を検出します。
回避シミュレーション
図面作成には反映されませんが、鉄筋を移動させることで衝突を回避できるかをシミュレーションできます。
 |
 |
 |
 |
 |
| 干渉チェック |
|
衝突部分の検出 |
|
衝突回避のシミュレーション |
|
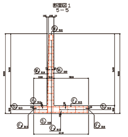
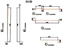
作成した躯体と鉄筋を2次元図面に出力します。作図図形の種類としては、投影図(正面図、平面図など)、断面図、鉄筋加工図、鉄筋表などをサポートします。
|
3次元配筋ビューワ機能が搭載されている、橋脚の設計、橋台の設計、擁壁の設計、BOXカルバートの設計については、本製品をインストールすることで、干渉チェック、および躯体や鉄筋の追加が可能となります。
本製品により土木構造物の3次元配筋シミュレーションが効率的に進められるものと考えております。今後もユーザの皆様からのご要望を取り入れ、改良・改善に努めてまいりますので、どうぞご期待ください。 |
|







>> 製品総合カタログ

>> プレミアム会員サービス
>> ファイナンシャルサポート
|