| フォーラムエイト、3次元配筋CAD対応のUC-1設計シリーズ新バージョンをリリース |
株式会社フォーラムエイト(東京都港区港南2-15-1 代表取締役社長 伊藤裕二 URL:http://www.forum8.co.jp)は、3次元配筋図の生成、3D配筋CADに対応するUC-1設計シリーズを一斉リリースいたしました。
今回リリースされているのは、UC-1下部工シリーズから橋台の設計Ver.13、橋脚の設計Ver.12、また、道路土工シリーズから擁壁の設計Ver.14(すべて3月27日リリース)、BOXカルバートの設計 Ver.13(3月13日リリース)になります。
これらの各ソフトは、構造物の設計、図面生成を行うと同時に、3D配筋の元となるモデルを作成し、3D配筋CADに読み込んで躯体や鉄筋の自動生成・編集機能や干渉チェックが可能となっています。
また、これらの製品から3次元モデル、設計条件を3次元動的非線形解析Engineer’s Studio®へファイルエクスポートすることにより、3次元解析をサポートします。
加えて、3D配筋CADのクラウド版である3D配筋CAD for SaaSでは、Android™端末での3次元図面表示をサポートし、CIMを意識した現場ツールとなっています。当社の高速度伝送制御技術”a3s”を活用し、3次元配筋シミュレーションに加えて、2次元図面連携や撮影した写真を配筋データの視点と関連付けて保存する機能にも対応しています。
3次元解析、3次元配筋設計においてこれらのCIM機能を活用することで、設計や施工管理の生産性向上に貢献いたします。
【主な改訂内容】
●橋台の設計Ver.13
・Engineer’s Studio®、UC-win/FRAME(3D)エクスポート
・橋座の設計機能拡張
・橋台左右反転出力
・下部構造慣性力を考慮した保耐法照査 (保耐法拡張オプション 有償)
・置換基礎機能拡張:橋台幅より置換基礎幅が大きい場合の照査対応
・胸壁前面突起の照査
・3D表示拡張
 |
 |
| ▲形状図反転 |
▲3D配筋表示 |
●橋脚の設計Ver.12
・下部構造の慣性力を厳密に考慮した保有水平耐力法の照査(オプション)
・補強部主鉄筋、アンカー筋配置の拡張
・H24道示矩形中空ハンチ形状への対応
・破壊形態判定に用いる最小せん断耐力の自動抽出
・フーチング既設部と補強部とで異なる下面鉄筋段数を設定できるよう対応
・既設橋脚検討方針の方向毎の指定に対応
 |
 |
| ▲中空ハンチ形状 |
▲3D配筋表示 |
●BOXカルバートの設計Ver.13
・「土地改良施設 耐震設計の手引き」(H16.3)対応
・地震時動水圧対応
・縦断方向の地震時検討対応(下水道基準)
・曲率でのレベル2照査対応(地震時検討)(Advanced版のみ対応)
 |
 |
| ▲地震時動水圧対応 |
▲3D配筋表示(躯体の透過) |
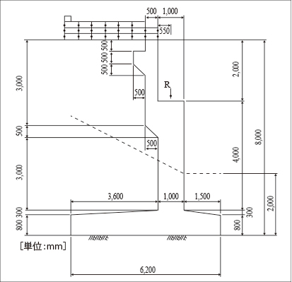
●擁壁の設計Ver.14
・ 地震時保有水平耐力法によるレベル2地震時照査(Advanced)
・ 試行くさび法の作用位置算出拡張
・ 3Dモデル表示拡張
 |
 |
| ▲メイン画面 |
▲3Dモデルテクスチャ表示 |
|